Водонагреватели Stiebel Eltron SHW 200 ACE 070074 - инструкция пользователя по применению, эксплуатации и установке на русском языке. Мы надеемся, она поможет вам решить возникшие у вас вопросы при эксплуатации техники.
Если остались вопросы, задайте их в комментариях после инструкции.
"Загружаем инструкцию", означает, что нужно подождать пока файл загрузится и можно будет его читать онлайн. Некоторые инструкции очень большие и время их появления зависит от вашей скорости интернета.

5
Комбинированный
температурный регулятор C
предохранительный
температурный ограничитель
Регулятор температуры и
предохранительный
температурный ограничитель
смонтированы в едином блоке
под крышкой фланца. Если
предохранительный
температурный ограничитель в
случае неполадок отключает
нагрев, то, как правило,
конструктивная группа
температурный регулятор 8
предохранительный
температурный ограничитель 8
выходит из строя и подлежит
замене. Причина срабатывания
предохранительного
температурного ограничителя
может быть определена
специалистом.
Нагревательный тэн и защитная
трубка регулятора температуры
8 предохранительного
температурного ограничителя
должны быть электрически
изолированы от внутреннего
бака (см.рис.3).
Контроль предохранительного
клапана (рекомендуемый клапан
C ZH 1 WR производства Stiebel
Eltron).
Перед сдачей прибора в
эксплуатацию необходимо
проверить функционирование
предохранительного клапана.
Головку вентиля избыточного
давления провернуть и
убедиться, что в открытом
положении вентиля вода
поступает с максимальным
напором.
Удаление известкового налета
Отключить напряжение прибора,
снять крышку фланца,
разъеденить клеммы,
демонтировать фланец с
нагревательными тэнами и снять
известковые отложения.
Отделившиеся части отложений
удалить из бака. Смонтировать
фланец и подключить клеммы
согласно плану подключения.
Установить крышку фланца.
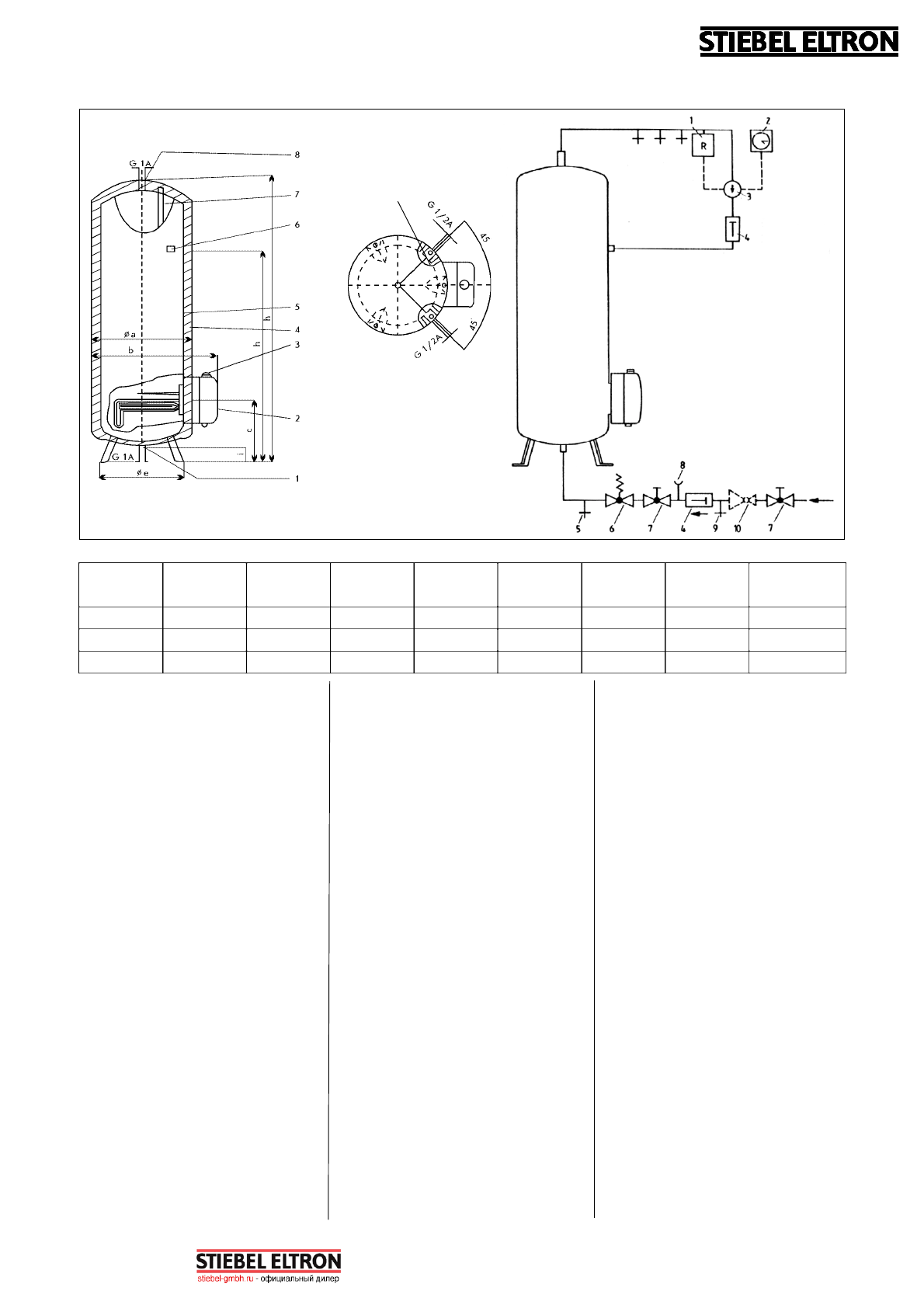
Рис. 5
1. Приток холодной воды G1"
2. Крышка фланца
3. Ручка выбора температуры
4. Теплоизоляция
5. Бак
6. Штуцер G 1/2 " (для
циркуляциионного трубопровода)
7 .
Антикоррозийный анод
8. Выход горячей воды G 1"
9 . Штуцер для установки
термометра
1. Регулятор температуры
2. Контрольные часы
3. Циркуляционный насос
4. Невозвратный клапан
5.
Сливной клапан
6.
Клапан избыточного
давления
7. Секущий клапан
8. Штуцер для манометра
9. Контрольный клапан
10. Редукционный клапан
(необходим при давлении
водопровода более 4,8 бар)
Вес в напол8
Емкость а b c e h
±
10 i k ненном
(диаметр) (диаметр) состоянии
200 л.
550 мм 690 мм 340 мм 430 мм 1570 мм 75 мм 1035 мм 270,5 кг
300 л.
650 мм 790 мм 365 мм 490 мм 1585 мм 75 мм 1040 мм 391,0 кг
400 л.
700 мм 840 мм 375 мм 540 мм 1755 мм 75 мм 1160 мм 521,5 кг
4800.01
Функционирование
антикоррозийного анода
Антикоррозийный анод,
выполненный из магния,
предотвращает коррозию бака,
постепенно растворяясь в воде.
Причем процесс растворения не
влияет на качество воды в
водонагревателе. После
окончательного растворения (о
чем информирует сигнальный
индикатор), анод подлежит
замене. Указания о
функционировании сигнального
индикатора и о работах по
контролю и замене
антикоррозийного анода Вы
найдете на стр.6.
Табл.2
9
www.stiebel-gmbh.ru • info@stiebel-gmbh.ru • +7 (495) 565-34-82
г. Москва, Каширский проезд, д. 17, строение 5













