Водонагреватели STIEBEL ELTRON SB-VTI 100 200156 - инструкция пользователя по применению, эксплуатации и установке на русском языке. Мы надеемся, она поможет вам решить возникшие у вас вопросы при эксплуатации техники.
Если остались вопросы, задайте их в комментариях после инструкции.
"Загружаем инструкцию", означает, что нужно подождать пока файл загрузится и можно будет его читать онлайн. Некоторые инструкции очень большие и время их появления зависит от вашей скорости интернета.

уСтАНОВкА
технические характеристики
www.stiebel-eltron.com
SB-VTI |
63
РУ
СС
КИЙ
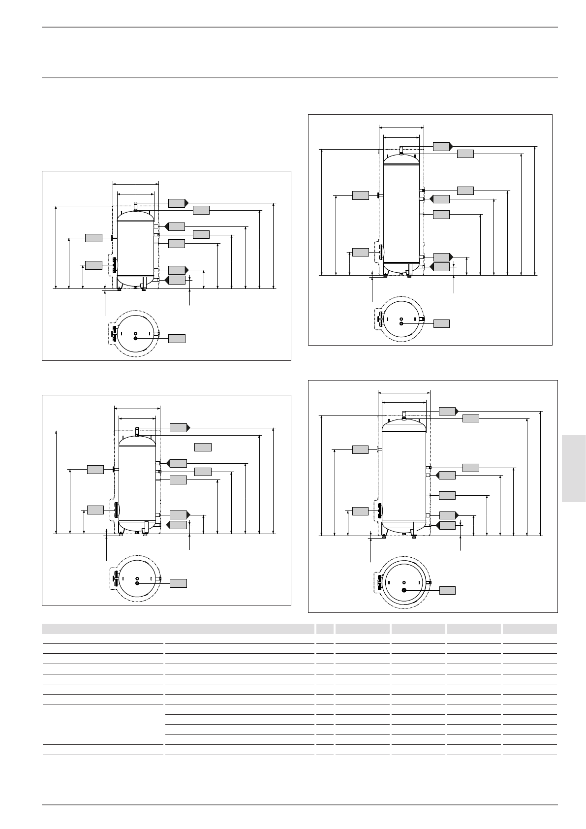
14. Технические характеристики
14.1 Размеры и соединения
SB-VTI 100
990
550
280
605
102
220
538
641
741
1022
935
439
i18
i18
c06
c01
d01
i01
h43
h16
c10
d02
22-34
D
00000
82
27
2
SB-VTI 150
1263
439
550
280
765
102
220
641
747
837
1175
1262
22-34
i18
i18
c06
c01
d01
i01
h43
h16
c10
d02
D
00000
82
27
3
SB-VTI 200
280
975
102
220
741
933
1033
1574
1486
1541
22-34
439
550
i18
i18
c06
c01
d01
i01
h43
h16
c10
d02
D
00000
82
27
4
SB-VTI 300
22-34
550
650
1501
310
1077
129
753
253
848
503
1464
1552
i18
c01
d01
i01
h43
h16
c10
d02
i18
c06
D
00000
82
27
5
SB-VTI 100
SB-VTI 150
SB-VTI 200
SB-VTI 300
c01 подвод холодной воды
Наружная резьба
G 1
G 1
G 1
G 1
c06 Выход горячей воды
Наружная резьба
G 1
G 1
G 1
G 1
c10 Рециркуляция
Наружная резьба
G 3/4
G 3/4
G 3/4
G 3/4
d01 тН подача
Наружная резьба
G 1
G 1
G 1
G 1
d02 тН обратная линия
Наружная резьба
G 1
G 1
G 1
G 1
h16 Датчик горячей воды
Диаметр
мм
9,5
9,5
9,5
9,5
h43 термометр
Диаметр
мм
9,5
9,5
9,5
9,5
i01 Фланец
Диаметр
мм
180
180
180
180
Диаметр окружности центров отверстий
мм
150
150
150
150
Винты
M 12
M 12
M 12
M 12
Момент затяжки
Nm
25
25
25
25
i18 Защитный анод
Внутренняя резьба
G 1 1/4
G 1 1/4
G 1 1/4
G 1 1/4
Содержание
- 3 Техника безопасности
- 4 обслуживание; Образование накипи; Поиск и устранение проблем; уСтАНОВкА; Техника безопасности; Общие указания по технике; Описание устройства; Необходимые принадлежности
- 5 Подготовительные; Штуцер теплообменника
- 6 Монтаж дополнительного
- 7 Подключение воды и установка
- 8 Датчик температуры; Ввод в эксплуатацию; Первый ввод в эксплуатацию; Вывод из эксплуатации
- 9 Техническое обслуживание; Проверка предохранительного клапана
- 10 Технические характеристики; Размеры и соединения
- 12 уСтАНОВкА | ГАРАНтИя | ЗАЩИтА ОкРуЖАЮЩЕЙ СРЕДЫ И утИлИЗАцИя; Характеристики энергопотребления; ГАРАНтИя; Гарантия