Водонагреватели Stiebel Eltron PSH 80 comfort 223175 - инструкция пользователя по применению, эксплуатации и установке на русском языке. Мы надеемся, она поможет вам решить возникшие у вас вопросы при эксплуатации техники.
Если остались вопросы, задайте их в комментариях после инструкции.
"Загружаем инструкцию", означает, что нужно подождать пока файл загрузится и можно будет его читать онлайн. Некоторые инструкции очень большие и время их появления зависит от вашей скорости интернета.
Загружаем инструкцию

КОНСЕРВАЦИЯ И УТИЛИЗАЦИЯ
60-78
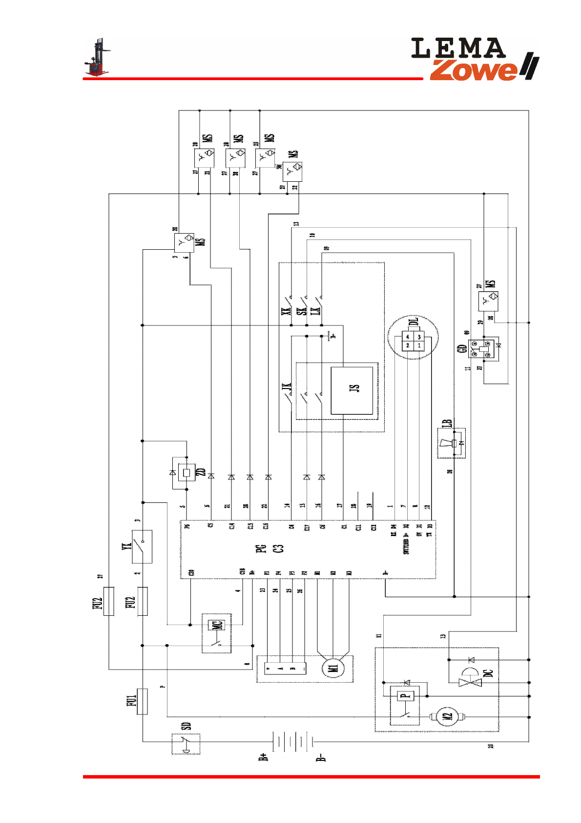
Электрическая схема штабелера
Содержание
- 4 Содержание
- 6 Поздравляем с покупкой самоходного штабелера; Обслуживание клиентов
- 7 Введение – Основные инструкции; Введение; Основные обозначения; Внимательно прочитайте следующие предупреждения
- 8 Служба сервиса клиентов; ОПАСНО ДЛЯ ЛЮДЕЙ; Зоны с опасностью взрыва
- 9 Ограничения применения; Штабелер должен эксплуатироваться в следующих условиях:
- 10 Ограничения в эксплуатации и обслуживании; При невозможности соблюдения нижеописанных процедур; Описание штабелера
- 11 Дополнительное оборудование; Доставка штабелера
- 12 Инструкции по технике безопасности; Общие правила техники безопасности
- 14 Масло гидравлической системы:
- 19 Устройства для обеспечения безопасности
- 21 Технические данные штабелера SR-10
- 22 Таблица мачт
- 23 Технические данные штабелера SR-15 с высотой
- 27 Технические данные штабелера SR-20
- 29 Уровень шума; Шильда
- 31 Штабелер SR-15 с высотой подъема свыше 4800 мм
- 32 Погрузка и транспортировка штабелера; Транспортировка
- 33 Выполните следующие действия, чтобы поднять штабелер:
- 34 Ознакомление со штабелером; Общий вид
- 35 Определение направления движения; Ручка управления
- 36 Кнопка противоотката
- 37 Выполняйте следующие действия во время разгрузки:; Позиции ручки управления
- 38 Панель управления
- 39 Замковый выключатель; Эксплуатация
- 40 Индикатор ошибок; Доступ к внутреннему оборудованию
- 41 Подножка оператора
- 42 Ежедневная проверка перед использованием; Подъем грузов
- 43 Запуск штабелера
- 44 Остановка штабелера; Подъем груза; Подъем и опускание вил
- 45 Зарядка АКБ с помощью внешнего зарядного
- 46 Использование штабелера с подготовкой для
- 47 Поиск и устранение неисправностей штабелеров; Неисправность
- 48 Обслуживание; Техническое обслуживание; Существует два вида технического обслуживания:; Предварительные операции по техническому; При работе под поднятыми вилами или поднятым
- 49 Обслуживание по необходимости; Чистка штабелера
- 51 Снятие кожуха
- 52 Замена предохранителей; Характеристики предохранителей; Снятие ведущего колеса
- 53 Замена/Регулировка опорных колес; Плановое техническое обслуживание
- 54 Периодичность технического обслуживания:; Проверка затяжки колес
- 56 Карта смазки; Порядок проведения; Позиция Область применения
- 57 Консервация и утилизация; Общие характеристики; Временная консервация; Выполните следующие действия, если штабелер не будет
- 58 Проверка и осмотр после длительного хранения
- 60 Приложение
- 65 Эксплуатация АКБ; ударов или вибрации.
- 67 Ввод в эксплуатацию; Действия, описанные в главах «Подготовка к использованию»,; Подготовка к использованию
- 68 Подготовка для электролита
- 69 Зарядка; Поставляемый аккумулятор всегда имеет начальную; Начальная зарядка; Для банок без начальной зарядки.
- 70 Регулировка плотности и уровня электролита.; Обычная зарядка
- 71 Компенсационная зарядка; Цель уравнительной зарядки; Уравнительная зарядка должна проводиться в следующих; Метод уравнительной зарядки
- 72 B: Зарядное устройство с микропроцессорным управлением; Требования к записи измерений зарядки; Недостаточная зарядка
- 73 Чрезмерная разрядка; Поиск и исправление неисправностей
- 74 Особенности причин неисправностей и методы устранения:; Внутреннее короткое замыкание
- 75 Обслуживание банок; Замена электролита; Транспортировка и хранение
- 76 Обратите внимание
- 77 Гарантийная политика; Определения
- 78 Порядок предоставления гарантии; В случае возникновения неисправности Покупатель должен:; Ограничения в рамках гарантийного
- 79 Претензии по гарантии













