Водонагреватели STIEBEL ELTRON EIL Premium 3 3,2 кВт 200134 - инструкция пользователя по применению, эксплуатации и установке на русском языке. Мы надеемся, она поможет вам решить возникшие у вас вопросы при эксплуатации техники.
Если остались вопросы, задайте их в комментариях после инструкции.
"Загружаем инструкцию", означает, что нужно подождать пока файл загрузится и можно будет его читать онлайн. Некоторые инструкции очень большие и время их появления зависит от вашей скорости интернета.

РУ
СС
КИЙ
EIL Premium |
125
УСТАНОВКА
Технические характеристики
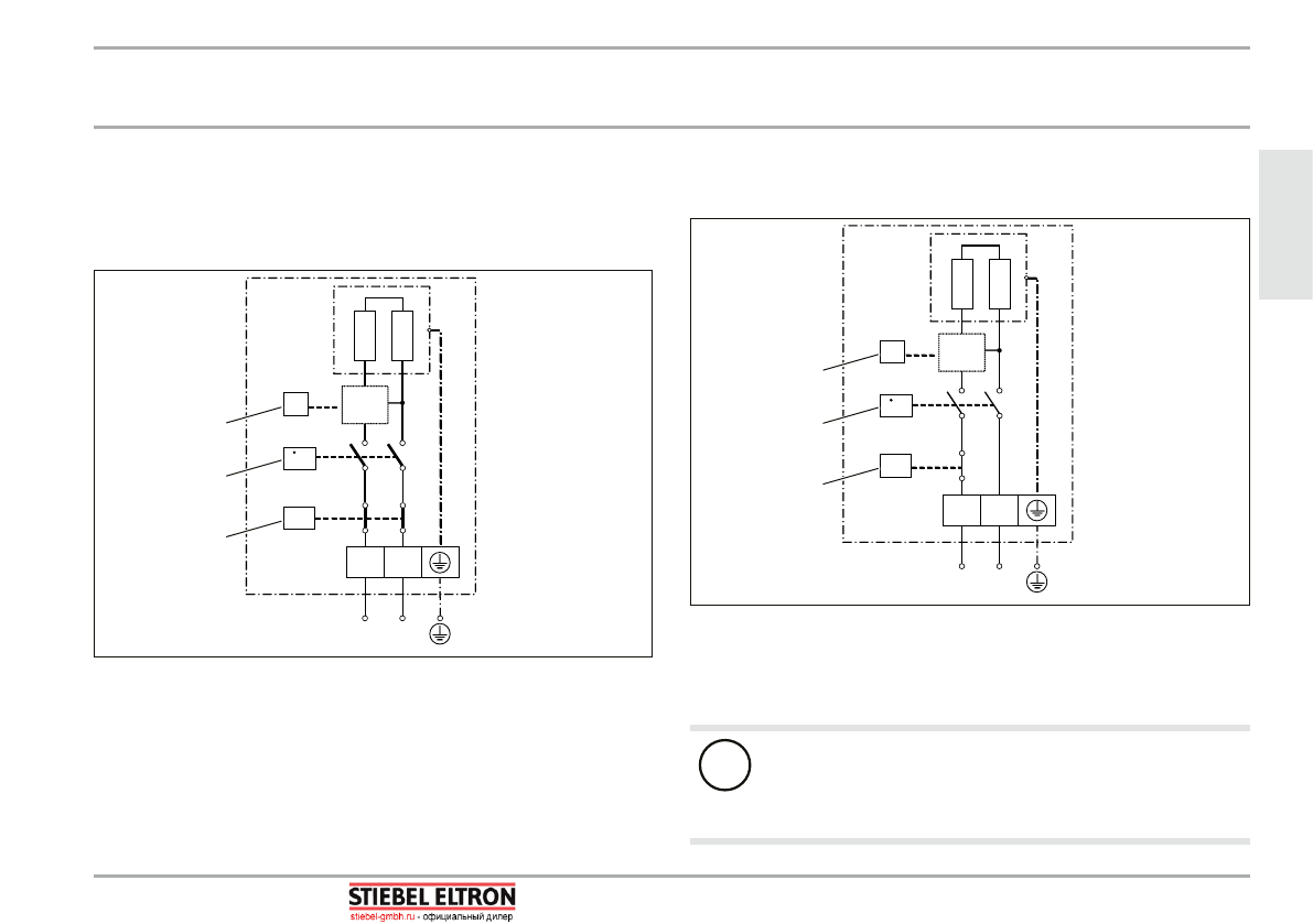
15.2 Электрическая схема
15.2.1 EIL 3 Premium
1/N/PE ~ 200–240 В
L N
p >
L N
ϑ
V >
D
00000
35
30
8
1
2
3
1 Предохранительный ограничитель давления
2 Датчик разности давлений
3 Электронный модуль с датчиком температуры воды на
выходе
15.2.2 EIL 4 Premium и EIL 6 Premium
1/N/PE ~ 200–240 В
L N
p >
L N
ϑ
V >
85
�02
�05
�000
1
1
2
3
1 Предохранительный ограничитель давления
2 Датчик разности давлений
3 Электронный модуль с датчиком температуры воды на
выходе
!
Материальный ущерб
f
f
При неразъемном подключении кабеля элек-
тропитания провода подключаются в соответ-
ствии с обозначениями клемм колодки.
www.stiebel-gmbh.ru • info@stiebel-gmbh.ru • +7 (495) 565-34-82
г. Москва, Каширский проезд, д. 17, строение 5













