Водонагреватели Stiebel Eltron EIL 4 Premium 200135 - инструкция пользователя по применению, эксплуатации и установке на русском языке. Мы надеемся, она поможет вам решить возникшие у вас вопросы при эксплуатации техники.
Если остались вопросы, задайте их в комментариях после инструкции.
"Загружаем инструкцию", означает, что нужно подождать пока файл загрузится и можно будет его читать онлайн. Некоторые инструкции очень большие и время их появления зависит от вашей скорости интернета.

РУ
СС
КИЙ
www.stiebel-eltron.com
EIL Premium |
125
УСТАНОВКА
Технические характеристики
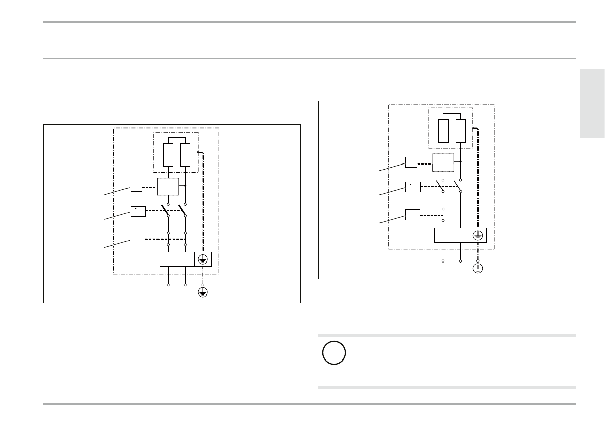
15.2 Электрическая схема
15.2.1 EIL 3 Premium
1/N/PE ~ 200–240 В
L N
p >
L N
ϑ
V >
D
00000
35
30
8
1
2
3
1 Предохранительный ограничитель давления
2 Датчик разности давлений
3 Электронный модуль с датчиком температуры воды на
выходе
15.2.2 EIL 4 Premium и EIL 6 Premium
1/N/PE ~ 200–240 В
L N
p >
L N
ϑ
V >
85
�0
2�
05
�0
00
1
1
2
3
1 Предохранительный ограничитель давления
2 Датчик разности давлений
3 Электронный модуль с датчиком температуры воды на
выходе
!
Материальный ущерб
f
f
При неразъемном подключении кабеля элек-
тропитания провода подключаются в соответ-
ствии с обозначениями клемм колодки.
Содержание
- 3 СПЕцИАльНыЕ УКАЗАНИя; СПЕцИАльНыЕ
- 4 ЭКСПлУАТАцИя; Указания по технике безопасности
- 5 Другие обозначения в данной
- 6 Техника безопасности; Использование по назначению
- 7 Знак технического контроля; Описание устройства
- 8 обслуживание
- 9 Поиск и устранение проблем; Техника безопасности; Общие указания по технике
- 10 Описание устройства; Комплект поставки
- 11 Подготовительные мероприятия
- 12 Варианты монтажа
- 15 Подключение к сети электропитания
- 16 Ввод в эксплуатацию; Первый ввод в эксплуатацию
- 18 Вывод из эксплуатации
- 20 Техническое обслуживание; Опорожнение прибора
- 21 Хранение прибора; Технические характеристики; Размеры и подключения
- 22 Электрическая схема
- 24 Рабочие диапазоны
- 25 Характеристики энергопотребления
- 26 Таблица параметров
- 28 ГАРАНТИЯ | ЗАЩИТА ОКРУЖАЮЩЕЙ СРЕДЫ И УТИЛИЗАЦИЯ; ГАРАНТИя; Гарантия