Водонагреватели Stiebel Eltron EIL 3 - инструкция пользователя по применению, эксплуатации и установке на русском языке. Мы надеемся, она поможет вам решить возникшие у вас вопросы при эксплуатации техники.
Если остались вопросы, задайте их в комментариях после инструкции.
"Загружаем инструкцию", означает, что нужно подождать пока файл загрузится и можно будет его читать онлайн. Некоторые инструкции очень большие и время их появления зависит от вашей скорости интернета.

РУ
СС
КИЙ
www.stiebel-eltron.com
EIL Plus |
105
УСТАНОВКА
Технические характеристики
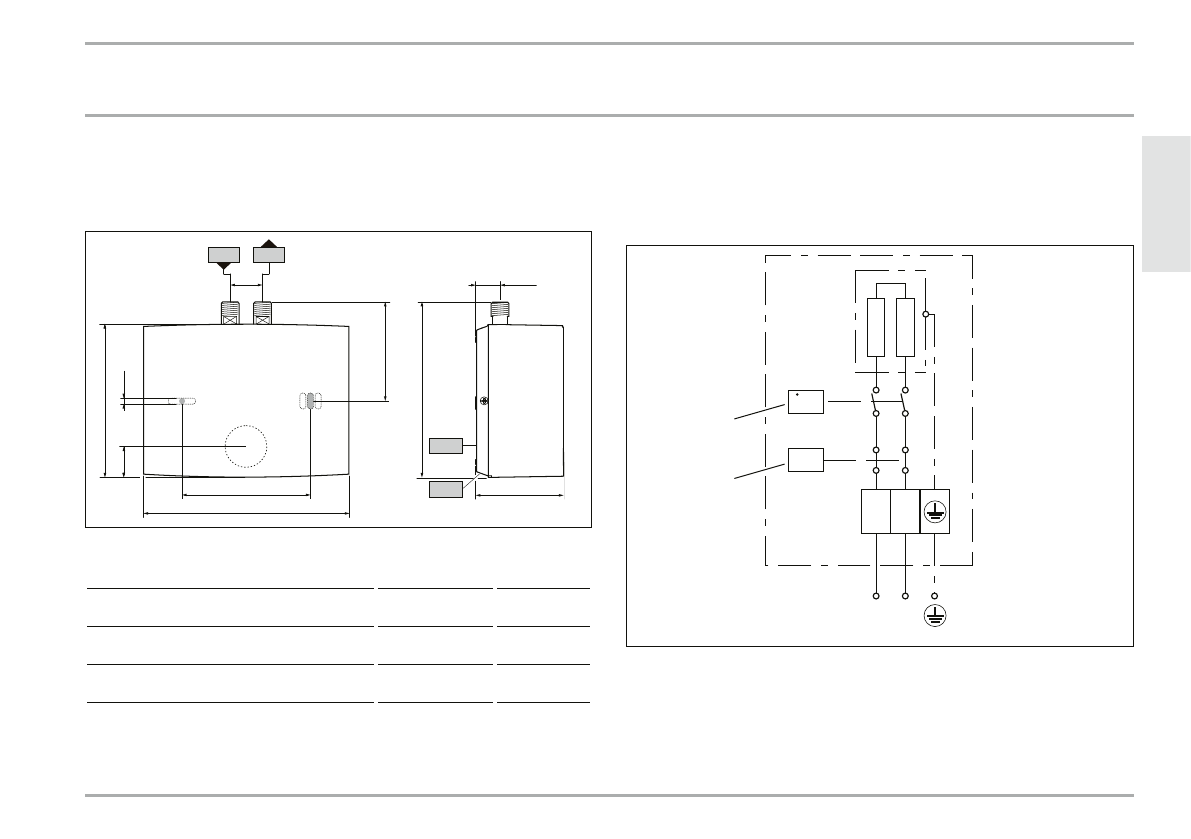
15. Технические характеристики
15.1 Размеры
95
28
30
120
143
190
4,8
165
82
20
b02
b03
c06
c01
D
00000
18
33
6
b02 Кабельный ввод для
электропроводки I
b03 Кабельный ввод для
электропроводки II
c01 Подвод холодной воды
Наружная
резьба
G 3/8 A
c06 Выпуск горячей воды
Наружная
резьба
G 3/8 A
15.2 Электрическая схема
15.2.1 EIL 3 Plus
1/N/PE ~ 200–240 В
V >
p
>
L N
L N
D
00000
35
30
7
1
2
1 Предохранительный ограничитель давления
2 Датчик разности давлений
Содержание
- 3 СПЕцИАльНыЕ УКАЗАНИя; СПЕцИАльНыЕ
- 5 ЭКСПлУАТАцИя; Указания по технике безопасности
- 6 Техника безопасности
- 7 Знак технического контроля; Описание устройства
- 8 обслуживание
- 9 Поиск и устранение проблем; Техника безопасности; Общие указания по технике
- 10 Описание устройства; Комплект поставки; Подготовительные мероприятия
- 11 Варианты монтажа
- 14 Подключение к сети электропитания
- 15 Ввод в эксплуатацию; Первый ввод в эксплуатацию
- 16 Вывод из эксплуатации
- 17 Техническое обслуживание; Опорожнение прибора
- 18 Чистка сетчатого фильтра; Хранение прибора
- 19 Технические характеристики; Электрическая схема; L N
- 20 L L
- 21 Повышение температуры; Рабочие диапазоны
- 22 Характеристики энергопотребления
- 23 Таблица параметров
- 25 ГАРАНТИЯ | ЗАЩИТА ОКРУЖАЮЩЕЙ СРЕДЫ И УТИЛИЗАЦИЯ; ГАРАНТИЯ; Гарантия
Характеристики
Остались вопросы?Не нашли свой ответ в руководстве или возникли другие проблемы? Задайте свой вопрос в форме ниже с подробным описанием вашей ситуации, чтобы другие люди и специалисты смогли дать на него ответ. Если вы знаете как решить проблему другого человека, пожалуйста, подскажите ему :)