Водонагреватели проточно-Stiebel Eltron SHD 100 S 73060 - инструкция пользователя по применению, эксплуатации и установке на русском языке. Мы надеемся, она поможет вам решить возникшие у вас вопросы при эксплуатации техники.
Если остались вопросы, задайте их в комментариях после инструкции.
"Загружаем инструкцию", означает, что нужно подождать пока файл загрузится и можно будет его читать онлайн. Некоторые инструкции очень большие и время их появления зависит от вашей скорости интернета.

7
Òåõíèêà äëÿ êîìôîðòà
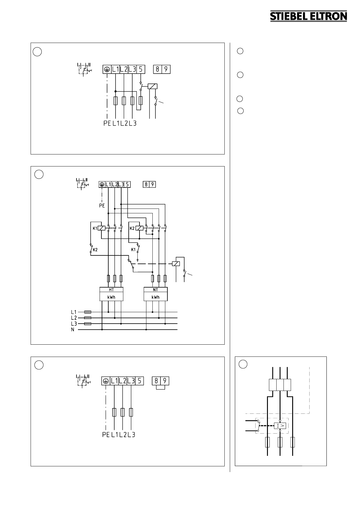
Ðèñ. 16
C
1
3,5/21 êÂò
3/PE
~
400 Â
D
3,5/21 êÂò
1
3/PE
~
400 Â
E
3/PE
~
400 Â
21 êÂò
1
2
3
I >
L1 L2 L3
Ðèñ. 15
Ðèñ. 14
Ðèñ. 13
Ðåæèì îäíîòàðèôíûé
C Èçìåðåíèå ñ ïîìîùüþ
îäíîãî ñ÷åò÷èêà, ðèñ.13
Êîíòàêò 1 çàìûêàåòñÿ âî âðåìÿ
äåéñòâèÿ íèçêèõ òàðèôîâ
D Èçìåðåíèå ñ ïîìîùüþ äâóõ
ñ÷åò÷èêîâ, ðèñ.14
Êîíòàêò 1 çàìûêàåòñÿ âî âðåìÿ
äåéñòâèÿ íèçêèõ òàðèôîâ
E Ðåæèì îäíîòàðèôíûé, ðèñ.15
F Ðåëå ñáðîñà íàãðóçêè LR 1-A
Ïðèîðèòåòíîå âêëþ÷åíèå ïðèáîðà
SHD 30 S èëè SHD 100 S ïðè
îäíîâðåìåííîé ýêñïëóàòàöèè
ýëåêòðîïðèáîðîâ, íàïðèìåð,
ýëåêòðîíàãðåâàòåëåé íàêîïèòåëü-íîãî
òèïà. Ïîäêëþ÷åíèå LR 1-A ñì.ðèñ.16.
Ñáðîñ íàãðóçêè ýëåêòðîíàãðå-âàòåëåé
íàêîïèòåëüíîãî òèïà îñóùå-ñòâëÿåòñÿ
ïðè ýêñïëóàòàöèè SHD.
1. Ïðîâîä öåïè óïðàâëåíèÿ äëÿ
ïðåäîòâðàùåíèÿ âêëþ÷åíèÿ
âòîðîãî ïðèáîðà (íàïðèìåð, íàãðåâ
çà ñ÷åò íàêîïèòåëÿ).
2. Êîíòàêò óïðàâëåíèÿ ðàçìûêàåòñÿ
ïðè âêëþ÷åíèè SHD.
3. Ðåëå ñáðîñà íàãðóçêè LR 1-A
Stiebel Eltron. Àðòèêóë 00 17 86.
Ââîä â ýêñïëóàòàöèþ
-
Ïåðåä ïîäêëþ÷åíèåì ïèòàíèÿ
âîäîíàãðåâàòåëü ñëåäóåò
çàïîëíèòü âîäîé, äëÿ ÷åãî
äåðæàòü îòêðûòûì êðàí
ãîðÿ÷åé âîäû äî òåõ ïîð, ïîêà
íå âûéäåò âåñü âîçäóõ è âîäà
íå íà÷íåò ïîñòóïàòü èç êðàíà.
-
Ðó÷êó âûáîðà òåìïåðàòóðû
ïîâåðíóòü íàïðàâî äî óïîðà;
-
Âêëþ÷èòü ïðèáîð â ýëåêòðîñåòü;
-
Íàáëþäàòü çà ïåðâûì íàãðåâîì,
ñëåäèòü çà îòêëþ÷åíèåì
íàãðåâà ïî äîñòèæåíèè
çàäàííîé òåìïåðàòóðû.
-
Ïðîâåðèòü ôóíêöèîíèðîâàíèå
ïðåäîõðàíèòåëüíîé ãðóïïû.
Óáåäèòüñÿ, ÷òî âî âðåìÿ
íàãðåâà èç ïðåäîõðàíèòåëüíîé
ãðóïïû ïîñòóïàåò èçáûòîê
âîäû.
F