Водонагреватели Royal Clima RWH-V80-RE - инструкция пользователя по применению, эксплуатации и установке на русском языке. Мы надеемся, она поможет вам решить возникшие у вас вопросы при эксплуатации техники.
Если остались вопросы, задайте их в комментариях после инструкции.
"Загружаем инструкцию", означает, что нужно подождать пока файл загрузится и можно будет его читать онлайн. Некоторые инструкции очень большие и время их появления зависит от вашей скорости интернета.

21
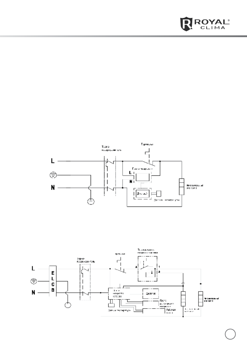
16. ЭЛЕКТРИЧЕСКАЯ ПРИНЦИПИАЛЬНАЯ СХЕМА
Для моделей серии Viva
Для моделей Diamante Collezione, Diamante Inox Collezione, Diamante
Inox Collezione Orizzonte
Рис. 15
Рис. 16
ЭЛЕКТРИЧЕСКАЯ ПРИНЦИПИАЛЬНАЯ СХЕМА
15. ПРАВИЛА УТИЛИЗАЦИИ
По истечению срока службы прибор должен
подвергаться утилизации в соответствии
с нормами, правилами и способами, дейст
-
вующими в месте утилизации. Подробную
информацию по утилизации вы можете полу
-
чить у представителя местного органа власти.
Изготовитель и уполномоченное лицо изго
-
товителя снимают с себя ответственность
за возможный вред, нанесенный данным при
-
бором в случае, если это произошла в резуль
-
тате несоблюдения правил и условий эксплу
-
атации, установки прибора, умышленных или
неосторожных действий, а также в случаях
вызванных природными или антропогенными
форсмажорными явлениями.













