Водонагреватели Roda JSD20-B1 Atmo белая (на сжиженном газе) - инструкция пользователя по применению, эксплуатации и установке на русском языке. Мы надеемся, она поможет вам решить возникшие у вас вопросы при эксплуатации техники.
Если остались вопросы, задайте их в комментариях после инструкции.
"Загружаем инструкцию", означает, что нужно подождать пока файл загрузится и можно будет его читать онлайн. Некоторые инструкции очень большие и время их появления зависит от вашей скорости интернета.
Загружаем инструкцию

13
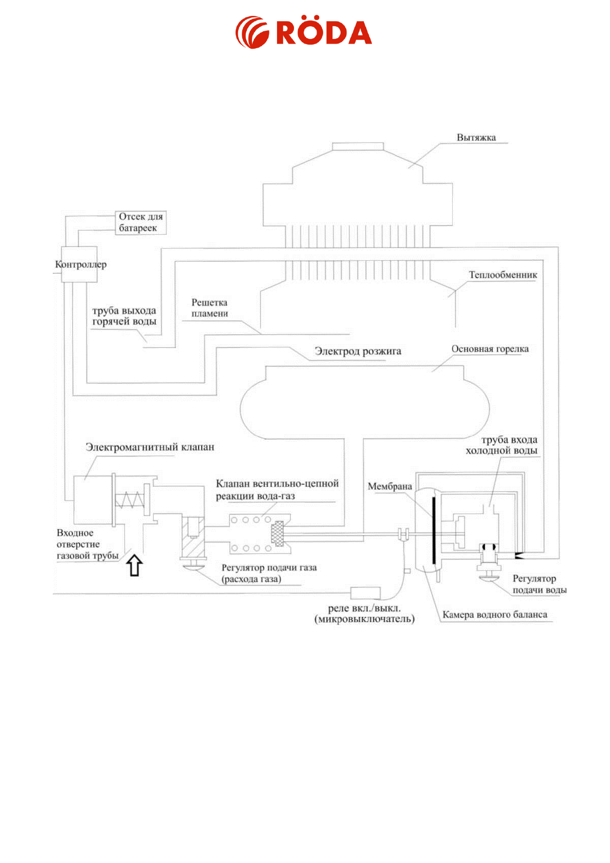
Функциональна схема водонагревателя.
Содержание
- 6 Подключение труб холодной и горячей воды.
- 7 облегчит дальнейшее обслуживание прибора.; Подключение газовых труб.; Данный водонагреватель не предназначен для работы на; Внимание; . Подключение к газовой магистрали выполняют только; Установка дымохода для отвода продуктов сгорания.
- 8 Дымоходная труба должна иметь внутренний диаметр не менее 110 мм.; Правильно
- 9 Подготовка перед включением:; Открыть кран подачи газа на водонагреватель; Регулирование температуры горячей воды.; Для регулирования температуры горячей воды:; Защита от замерзания.; Полностью удалить воду из водонагревателя.
- 11 Типичные проблемы и их решения.
- 14 Технические характеристики.