Водонагреватели Roda JSD20-A3 Atmo Flower УТ000010054 - инструкция пользователя по применению, эксплуатации и установке на русском языке. Мы надеемся, она поможет вам решить возникшие у вас вопросы при эксплуатации техники.
Если остались вопросы, задайте их в комментариях после инструкции.
"Загружаем инструкцию", означает, что нужно подождать пока файл загрузится и можно будет его читать онлайн. Некоторые инструкции очень большие и время их появления зависит от вашей скорости интернета.

14
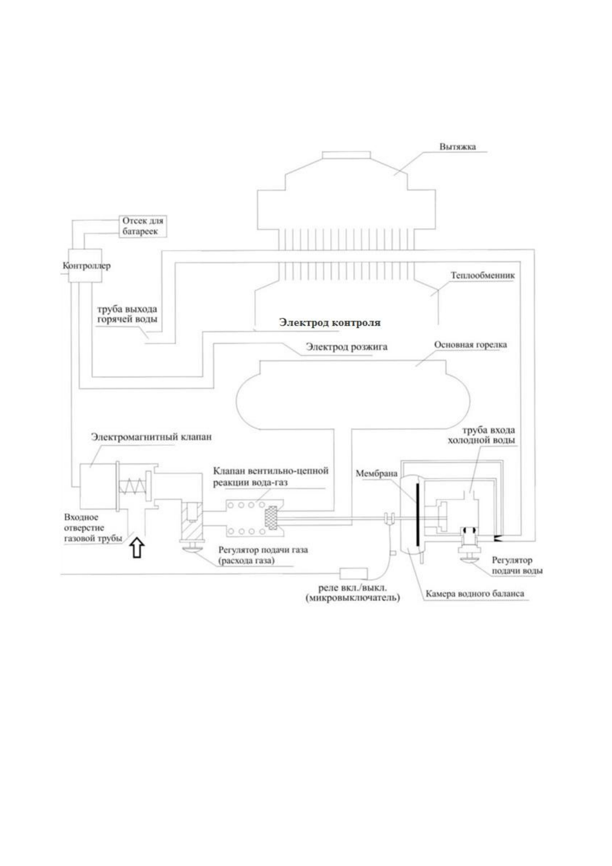
Функциональна схема водонагревателя.
Утилизация прибора.
После окончания срока службы водонагревателя или при невозможности провести его
ремонт, водонагреватель должен быть демонтирован и утилизирован. Для демонтажа
прибора обратитесь в специализированную организацию, которая имеет все
разрешения и лицензии на работу с газоиспользующим оборудованием.
Водонагреватель после частичной разборки может быть утилизирован как лом цветных
и черных металлов, согласно местному законодательству. Для утилизации
водонагревателя обратитесь в специализированную организацию.
Содержание
- 7 лето»
- 8 Водонагреватели предназначены для работы на природном, с; Внимание; . Подключение к газовой магистрали выполняют только
- 9 Номинальное давление природного газа в магистрали – 130 мм. вод. ст.; Установка дымохода для отвода продуктов сгорания.; Дымоходная труба должна иметь внутренний диаметр не менее 110 мм.
- 11 Подготовка перед включением:; Открыть кран подачи газа на водонагреватель; Регулирование температуры горячей воды.; Для регулирования температуры горячей воды:; Защита от замерзания.
- 13 Типичные проблемы и их решения.
- 14 Комплектация водонагревателя.
- 15 Функциональна схема водонагревателя.
- 17 Россия; : Произведено для компании RÖDA, Германия; Представитель в России:













