Водонагреватели RODA ILW 75 W УТ000008249 - инструкция пользователя по применению, эксплуатации и установке на русском языке. Мы надеемся, она поможет вам решить возникшие у вас вопросы при эксплуатации техники.
Если остались вопросы, задайте их в комментариях после инструкции.
"Загружаем инструкцию", означает, что нужно подождать пока файл загрузится и можно будет его читать онлайн. Некоторые инструкции очень большие и время их появления зависит от вашей скорости интернета.

6
8
6
5
4
F
E
B
A
7
C
D
G
6
8
8
5
9
9
1
2
3
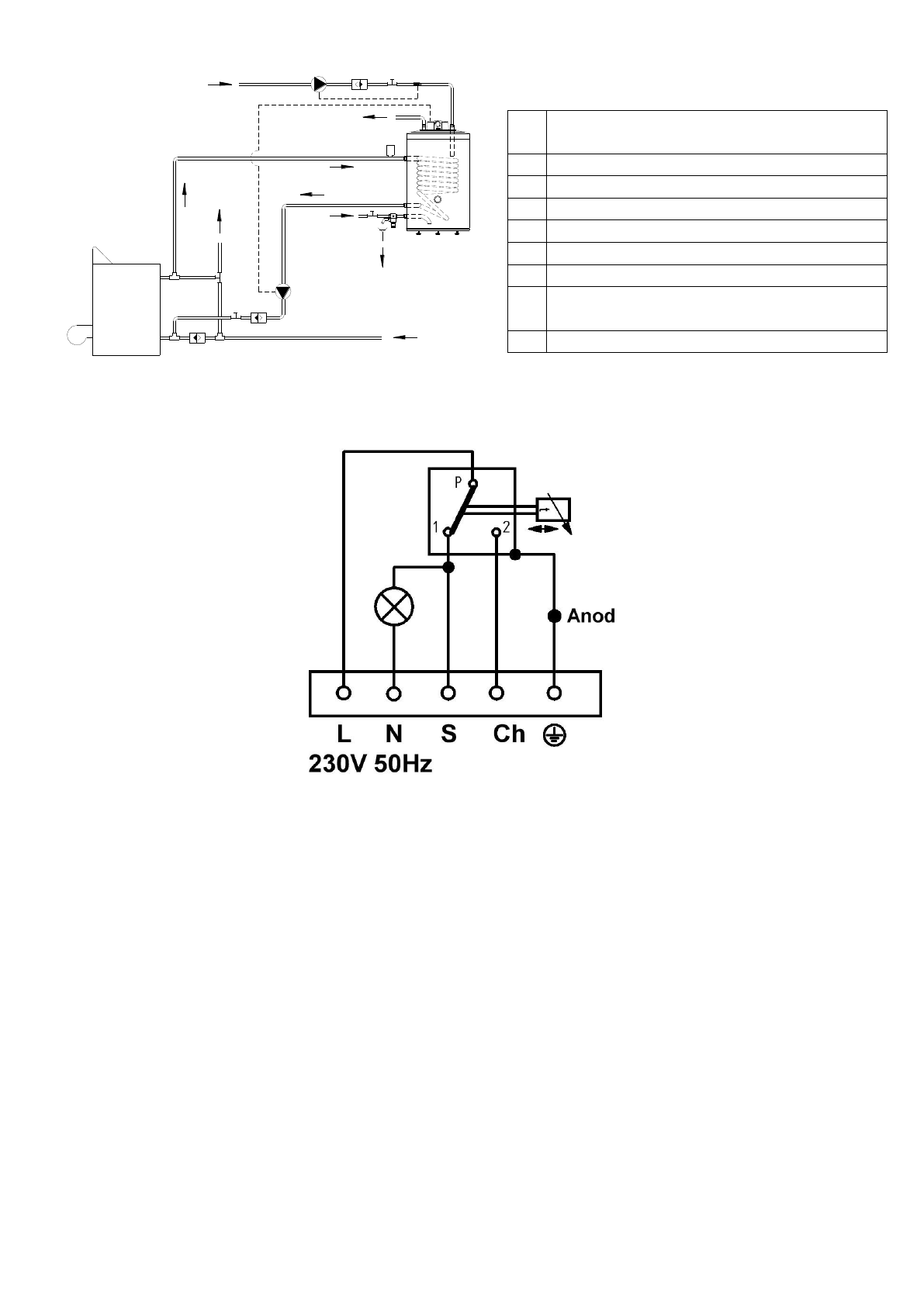
4. рис.
5. рис.
1 Комбинированный предохранительный
клапан
2 Вытекание
3 Закрывающий клапан
4 Перекидной клапан
5 Задвижка прямого хода
6 Циркуляционный насос
7 Автоматический выдувной клапан
8 Вентиль возвратного действия обратного
трубопровода
9 Место термостата