Водонагреватели RODA IHW 500 УТ000008263 - инструкция пользователя по применению, эксплуатации и установке на русском языке. Мы надеемся, она поможет вам решить возникшие у вас вопросы при эксплуатации техники.
Если остались вопросы, задайте их в комментариях после инструкции.
"Загружаем инструкцию", означает, что нужно подождать пока файл загрузится и можно будет его читать онлайн. Некоторые инструкции очень большие и время их появления зависит от вашей скорости интернета.

14
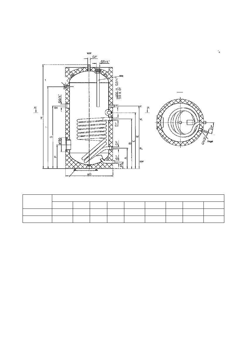
Водонагреватели типов IHW 400 и IHW 500
Тип
Размеры (мм)
H
ØD
A
B
C
E
F
G
I
IHW 400
1832
670
320
880
960
1000
345
1000
1521
IHW 500
1838
750
370
930
1010
1095
370
1095
1498
1.
Активный анод
Регулируемая опора
Термометр
A-A
Втулка
Содержание
- 2 В комплект поставки прибора входят:; УВАЖАЕМЫЙ ПОКУПАТЕЛЬ!
- 3 УСТАНОВКА; нижеследующих условий:
- 8 Первый ввод в эксплуатацию
- 9 Осторожно: При сливе может вытекать горячая вода.; При наличии опасности замерзания следует учесть, что вода может; Первый цикл нагрева и контроля за его проведением должен
- 10 ТАЛОН СЕРТИФИКАЦИИ КАЧЕСТВА – ТЕХНИЧЕСКИЕ ДАННЫЕ; Нижний теплообменник
- 11 RODA
- 14 ØD
- 19 Germany; Hajdusagi Ipari Zrt.