Водонагреватели RODA IHW 300-2 УТ000008267 - инструкция пользователя по применению, эксплуатации и установке на русском языке. Мы надеемся, она поможет вам решить возникшие у вас вопросы при эксплуатации техники.
Если остались вопросы, задайте их в комментариях после инструкции.
"Загружаем инструкцию", означает, что нужно подождать пока файл загрузится и можно будет его читать онлайн. Некоторые инструкции очень большие и время их появления зависит от вашей скорости интернета.
Загружаем инструкцию

9
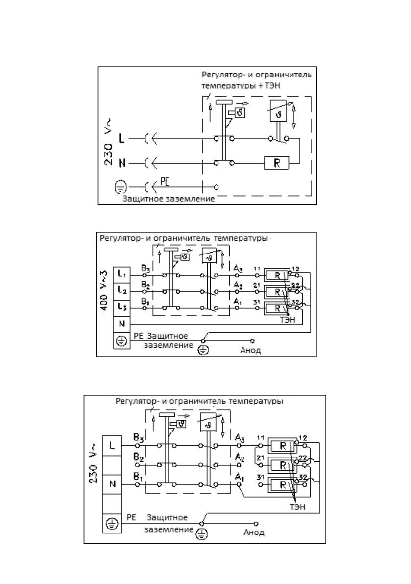
Схема подключения верхнего ТЭН-а
(однофазное подключение)
Схема подключения нижнего ТЭН-а
(3-х фазное подключение)
Схема подключения нижнего ТЭН-а
(однофазное подключение)
Содержание
- 2 В упаковки находятся следующие комплектующие:; инструкция по эксплуатации
- 3 Накопительные водонагреватели типа; Модель
- 5 МОНТАЖ; вертикальном; ПОДКЛЮЧЕНИЕ К СИСТЕМЕ ВОДОСНАБЖЕНИЯ
- 6 Предохранитеьный клапан не входит в комплект поставки.
- 8 Защитное заземление должно соответствовать требованиям ГОСТА!
- 10 Первый ввод в работу должен проводить специалист.; ЭКСПЛУАТАЦИЯ И ТЕКУЩИЙ РЕМОНТ; специалиста; Активный анод
- 11 Удаление отложений; специальные; Предотвращение замерзания; С, тогда нагрев обогревателя выключать нельзя или; Слив воды
- 15 Hajdusagi Ipari Zrt.