Водонагреватели Polaris RMPS-80V - инструкция пользователя по применению, эксплуатации и установке на русском языке. Мы надеемся, она поможет вам решить возникшие у вас вопросы при эксплуатации техники.
Если остались вопросы, задайте их в комментариях после инструкции.
"Загружаем инструкцию", означает, что нужно подождать пока файл загрузится и можно будет его читать онлайн. Некоторые инструкции очень большие и время их появления зависит от вашей скорости интернета.

12
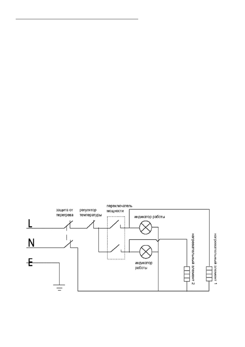
3.3 Электрическое подсоединение.
Внимание! Только когда аппарат заполнен водой полностью,
можно включать в электрическую сеть нагревательный элемент
.
Подключение прибора производиться через заземленную сетевую
розетку.
1. Необходимо обеспечить надежное заземление.
Внимание: если
водонагреватель не будет заземлен, то в случае короткого
замыкания
УЗО
(устройство
защитного
отключения),
поставляемое в комплекте, может не сработать.
2. Использовать источники энергии с напряжением 220 вольт и 50 гц
3. Номинальные электрические параметры сетевой розетки должны
быть не меньше электрических параметров нагревателя.
4. Сетевая розетка и штепсель должны быть сухими и предотвращать
утечку электричества.
Удостоверьтесь в том, что напряжение в сети соответствует
значению, указанному на табличке с маркировкой (шильдике).
Характеристики
Остались вопросы?Не нашли свой ответ в руководстве или возникли другие проблемы? Задайте свой вопрос в форме ниже с подробным описанием вашей ситуации, чтобы другие люди и специалисты смогли дать на него ответ. Если вы знаете как решить проблему другого человека, пожалуйста, подскажите ему :)