Водонагреватели Polaris RMPS-100V - инструкция пользователя по применению, эксплуатации и установке на русском языке. Мы надеемся, она поможет вам решить возникшие у вас вопросы при эксплуатации техники.
Если остались вопросы, задайте их в комментариях после инструкции.
"Загружаем инструкцию", означает, что нужно подождать пока файл загрузится и можно будет его читать онлайн. Некоторые инструкции очень большие и время их появления зависит от вашей скорости интернета.

30
при нагріванні. Отвір клапана радимо з'єднати відвідною гнучкою
трубкою з системою зливу.
В жодному разі не можна закривати отвір клапана!
Якщо тиск води в магістралі перевищує 5 бар, на лінії підведення
води слід поставити редуктор тиску.
3.3 Електричне з’єднання.
Увага! Тільки коли апарат заповнений водою повністю, можна
вмикати водонагрівач в електричну мережу.
Підключення приладу здійснюватися через заземлену мережну
розетку.
1. Необхідно забезпечити надійне заземлення.
Увага: якщо
водонагрівач не буде заземлений, то у випадку короткого
замикання
ПЗВ
(пристрій
захисного
відключення),
що
поставляється в комплекті, може не спрацювати.
2. Використовувати джерела енергії з напругою 220 вольт і 50 Гц.
3. Номінальні електричні параметри розетки живлення повинні бути
не менше електричних параметрів нагрівача.
4. Розетка живлення та штепсель повинні бути сухими та запобігати
витоку електрики.
Упевніться в тому, що напруга в мережі відповідає
значенню, зазначеному на табличці з маркуванням (шильдику).
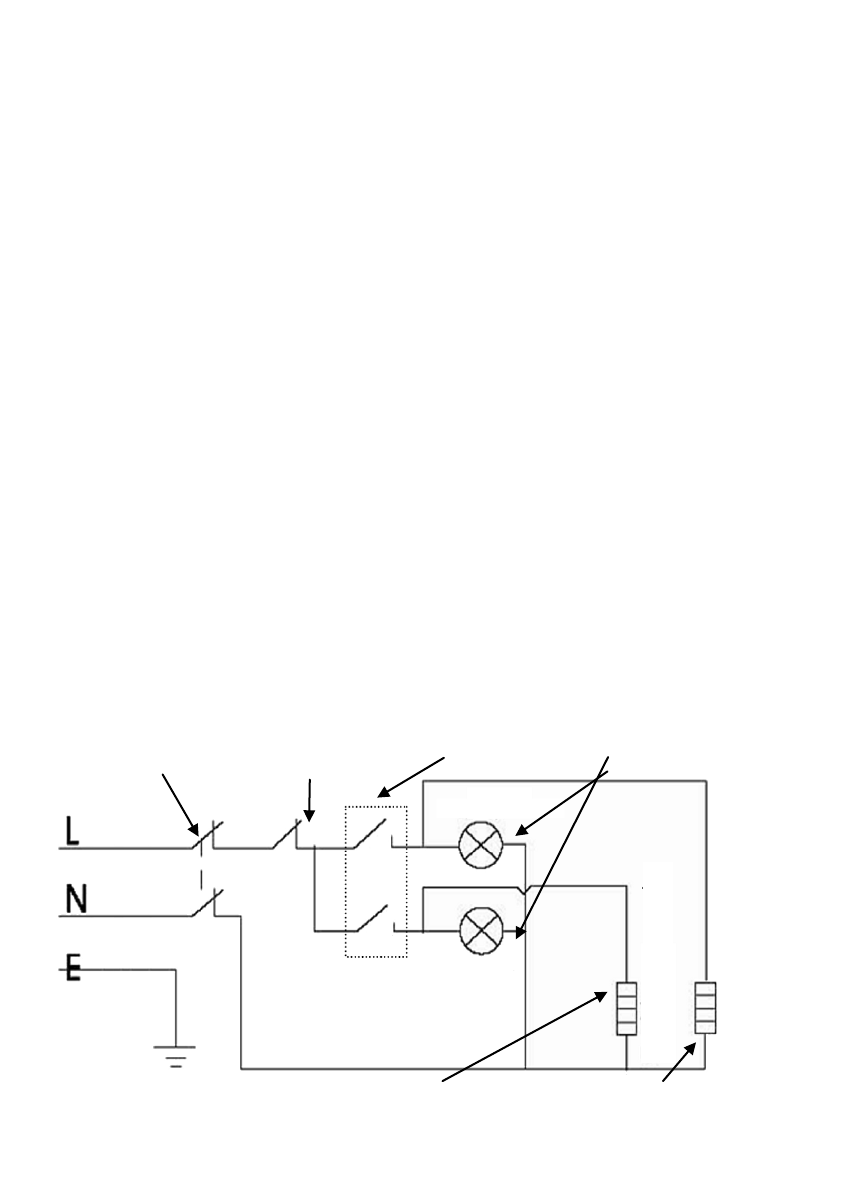
Захист від
перегрівання
Регулятор
температури
Перемикач
потужності
Індикатори
роботи
Нагрівальний елемент 2
Нагрівальний елемент 1
Характеристики
Остались вопросы?Не нашли свой ответ в руководстве или возникли другие проблемы? Задайте свой вопрос в форме ниже с подробным описанием вашей ситуации, чтобы другие люди и специалисты смогли дать на него ответ. Если вы знаете как решить проблему другого человека, пожалуйста, подскажите ему :)