Водонагреватели Polaris PS 65Vr - инструкция пользователя по применению, эксплуатации и установке на русском языке. Мы надеемся, она поможет вам решить возникшие у вас вопросы при эксплуатации техники.
Если остались вопросы, задайте их в комментариях после инструкции.
"Загружаем инструкцию", означает, что нужно подождать пока файл загрузится и можно будет его читать онлайн. Некоторые инструкции очень большие и время их появления зависит от вашей скорости интернета.

Внимание!
Только когда аппарат заполнен водой полностью, можно
включать в электрическую сеть нагревательный элемент.
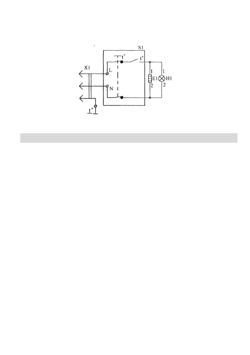
Рисунок 5 Схема электрическая принципиальная водонагревателя
6. Порядок работы
Первое (проверочное) включение
При изучении порядка включения водонагревателя необходимо
руководствоваться рисунками 1, 4.
Заполнить водонагреватель холодной водой. Для этого:
- закрыть запорный вентиль горячей воды из магистрали;
- открыть запорный вентиль холодной воды из магистрали;
- открыть вентиль подвода холодной воды к водонагревателю;
- открыть вентиль горячей воды;
- открыть кран горячей воды потребителя (в дальнейшем - кран
горячей воды);
-
При полном заполнении водонагревателя водой вода начнет
вытекать из крана горячей воды.
Внимание!
Включение водонагревателя при неполном его заполнении
водой может привести к серьёзным повреждениям нагревательного
элемента.
Включить водонагреватель в электросеть.
Проверить первый режим "нагрев-отключение": по достижении
установленной температуры нагрева воды, термостат должен
отключить нагрев, контрольная лампочка погаснуть.
Отключить водонагреватель от сети.
Характеристики
Остались вопросы?Не нашли свой ответ в руководстве или возникли другие проблемы? Задайте свой вопрос в форме ниже с подробным описанием вашей ситуации, чтобы другие люди и специалисты смогли дать на него ответ. Если вы знаете как решить проблему другого человека, пожалуйста, подскажите ему :)