OASIS HV-50 - Инструкция по эксплуатации - Страница 4

Водонагреватели OASIS HV-50 - инструкция пользователя по применению, эксплуатации и установке на русском языке. Мы надеемся, она поможет вам решить возникшие у вас вопросы при эксплуатации техники.

Если остались вопросы, задайте их в комментариях после инструкции.

"Загружаем инструкцию", означает, что нужно подождать пока файл загрузится и можно будет его читать онлайн. Некоторые инструкции очень большие и время их появления зависит от вашей скорости интернета.
Страница:
/ 16
Загружаем инструкцию
background image

УСЛОВИЯ БЕЗОПАСНОЙ ЭКСПЛУАТАЦИИ

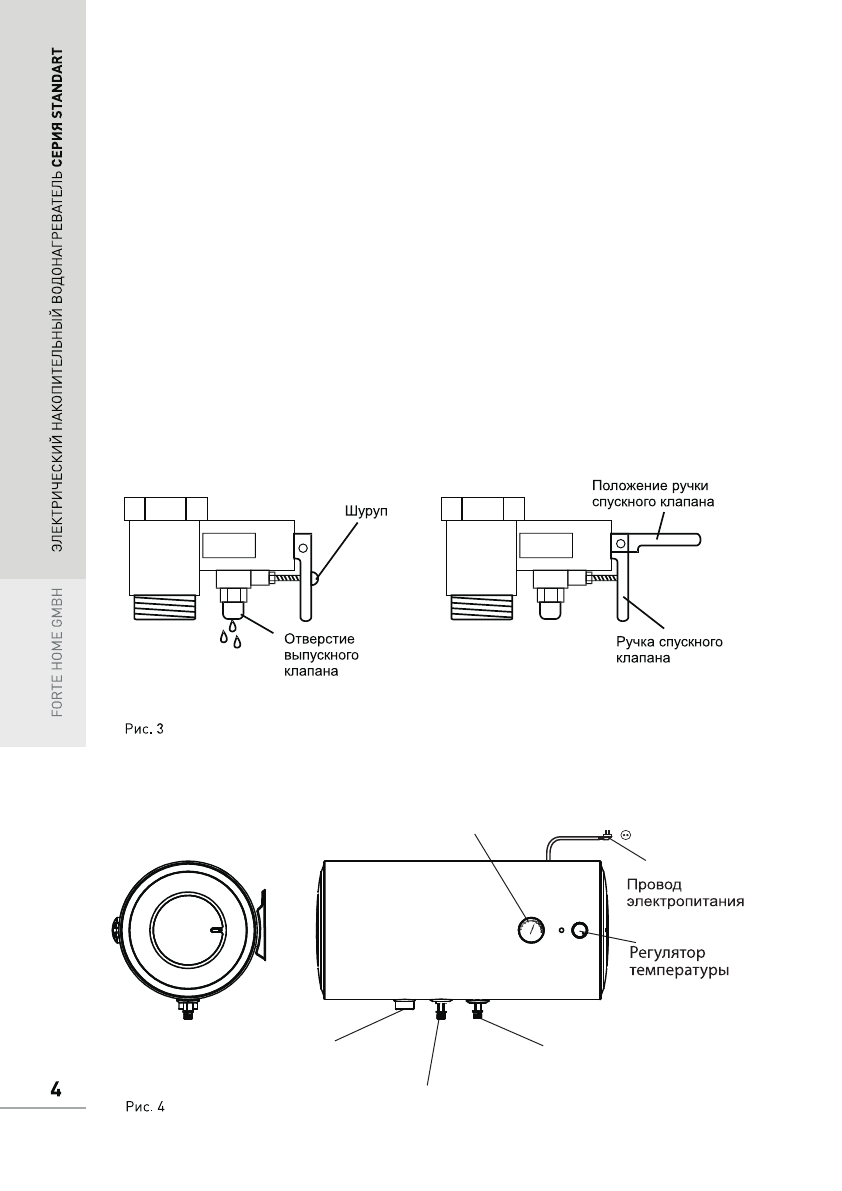
Данный ЭВН следует эксплуатировать только с использованием предохранительного

обратного клапана. Во время нагрева воды из отверстия выпуска давления обратного

предохранительногоклапана может поступать вода. Это нормальное явление. Однако в 

случае больших утечек следует связаться со специалистами по техническому обслужи-

ванию. Отверстие выпуска давления ни при каких обстоятельствах не должно быть 

заблокировано; в противном случае это может привести к поломке ЭВН.

Примечание: при работе выпускного клапана, капли воды могут не выделяться. Во 

время процесса нагрева внешнее покрытие водопроводной трубы под выпускным 

клапаном может иметь высокую температуру. Такие признаки являются нормой и 

свидетельствуют о том, что система внутреннего спуска давления функционирует.

Слить воду из водонагревателя можно с помощью обратного предохранительного 

клапана, перекрыв при этом подачу холодной воды в водонагреватель и открыв 

дренажную ручку на предохранительном клапане. При этом слив воды из водонагрева-

теля должен осуществляться через дренажное отверстие в клапане в систему отвода 

канализации (при сливе воды откройте на смесителе кран горячей воды для выпуска 

воздуха). (Рис. 3).

УСТРОЙСТВО ВОДОНАГРЕВАТЕЛЯ

ИНСТРУКЦИЯ ПО УСТАНОВКЕ

Рекомендуется устанавливать ЭВН максимально близко от места использования горячей

воды, чтобы сократить потери тепла в трубах.

Данный электрический накопительный водонагреватель надо крепить на прочные 

стены. Для монтажа электрического водонагревателя наиболее удобны места вблизи 

розеток электросети.

Используйте крепежные элементы нашей компании для монтажа ЭВН.

ЭВН подвешивается за кронштейны корпуса на крюки анкеров, прочно закрепляемые в 

стене.

Объем, л

Расстояние между монтажными

отверстиями, мм

50

310

80

270

0,8 МПа

0,8 МПа

Отсек

для магниевого анода

Входной патрубок

для холодной воды

Входной патрубок

для горячей воды

Индикатор

температуры

Полезные видео

Характеристики

Оцените статью
tehnopanorama.ru
Остались вопросы?

Не нашли свой ответ в руководстве или возникли другие проблемы? Задайте свой вопрос в форме ниже с подробным описанием вашей ситуации, чтобы другие люди и специалисты смогли дать на него ответ. Если вы знаете как решить проблему другого человека, пожалуйста, подскажите ему :)

Задать вопрос

Часто задаваемые вопросы
Как посмотреть инструкцию к OASIS HV-50?
Необходимо подождать полной загрузки инструкции в сером окне на данной странице
Руководство на русском языке?
Все наши руководства представлены на русском языке или схематично, поэтому вы без труда сможете разобраться с вашей моделью
Как скопировать текст из PDF?
Чтобы скопировать текст со страницы инструкции воспользуйтесь вкладкой "HTML"