Водонагреватели Nofer SB 10 - инструкция пользователя по применению, эксплуатации и установке на русском языке. Мы надеемся, она поможет вам решить возникшие у вас вопросы при эксплуатации техники.
Если остались вопросы, задайте их в комментариях после инструкции.
"Загружаем инструкцию", означает, что нужно подождать пока файл загрузится и можно будет его читать онлайн. Некоторые инструкции очень большие и время их появления зависит от вашей скорости интернета.

Водонагреватель
обязательно
должен
быть
подключен
к
розетке
напрямую
.
Подключения
устройства
к
электрической
сети
должно
выполняться
в
соответствии
со
всеми
стандартами
для
электрооборудования
.
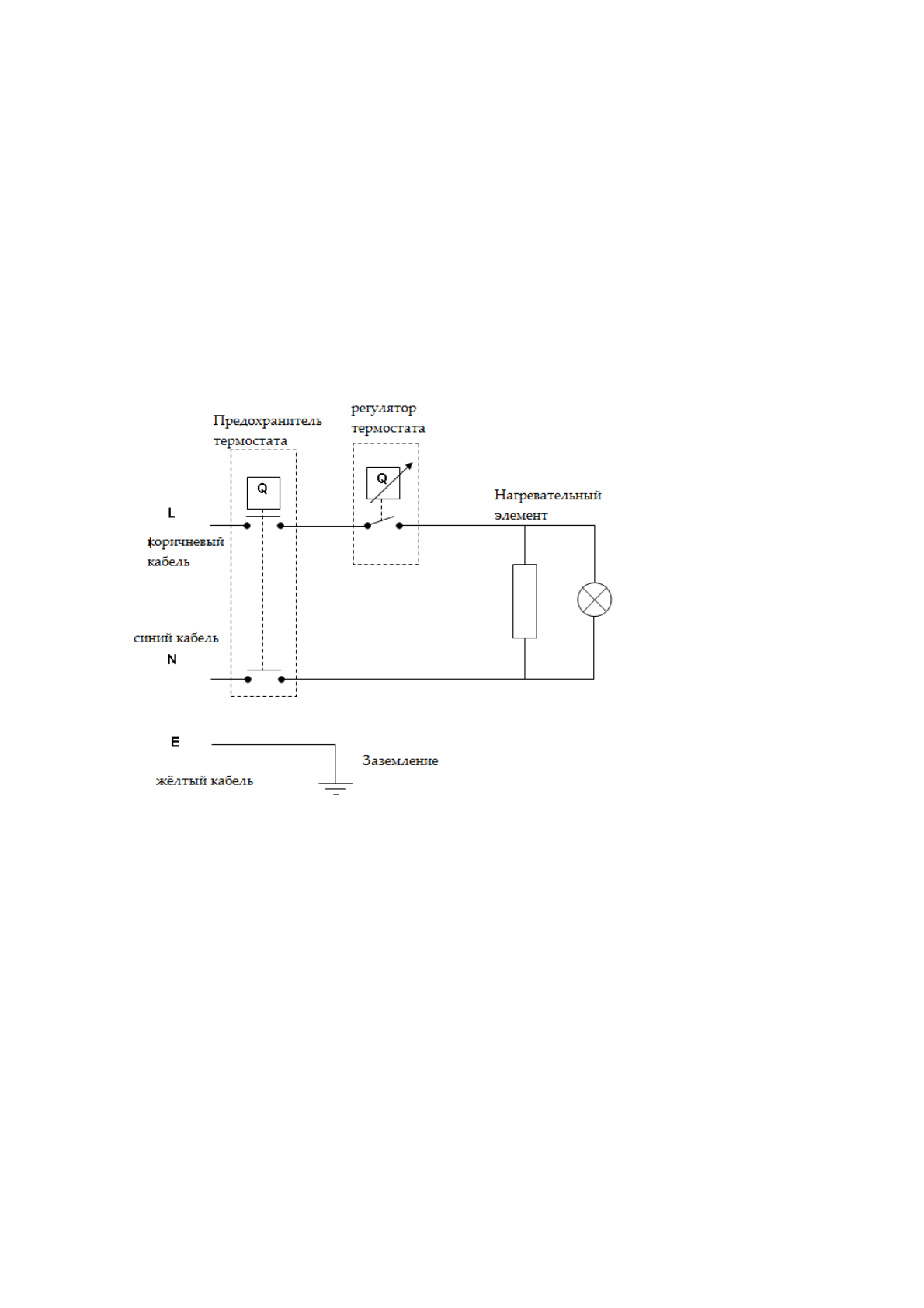
Ниже
приведена
диаграмма
электросети
водонагревателя
:
Рис
. – 4 NOFER – SB
Электросхема
.
5.-
НОРМЫ
ПОДКЛЮЧЕНИЯ
К
ЭЛЕКТРОПРОВОДКЕ
.
Подключение
к
электросети
должно
соответствовать
международным
нормам
CEI 64-8.
Исходя
из
этих
стандартов
,
электрические
агрегаты
должны
быть
установлены
в
ванных
помещениях
,
согласно
следующим
правилам
:
1.-
Зона
0:
Установка
устройства
в
этой
площади
запрещена
.
Также
,
если
у
вас
уже
установлена
сборная
душевая
кабина
,
запрещено
устанавливать
устройство
в
зоне
1.
2.-
Зоны
1
и
2:
Устройства
со
степенью
защиты
оболочки
IPX4
возможно
установить
на
расстоянии
1,2
м
от
душа
и
с
дополнительным
выключателем
.
3.-
Зона
3:
Устройства
со
степенью
защиты
IPX1
разрешены
к
установке
.
4.-
Заземление
водонагревателей
является
обязательным
.