Водонагреватели Metalac ОPTIMA MB 80 HL - инструкция пользователя по применению, эксплуатации и установке на русском языке. Мы надеемся, она поможет вам решить возникшие у вас вопросы при эксплуатации техники.
Если остались вопросы, задайте их в комментариях после инструкции.
"Загружаем инструкцию", означает, что нужно подождать пока файл загрузится и можно будет его читать онлайн. Некоторые инструкции очень большие и время их появления зависит от вашей скорости интернета.

j
b
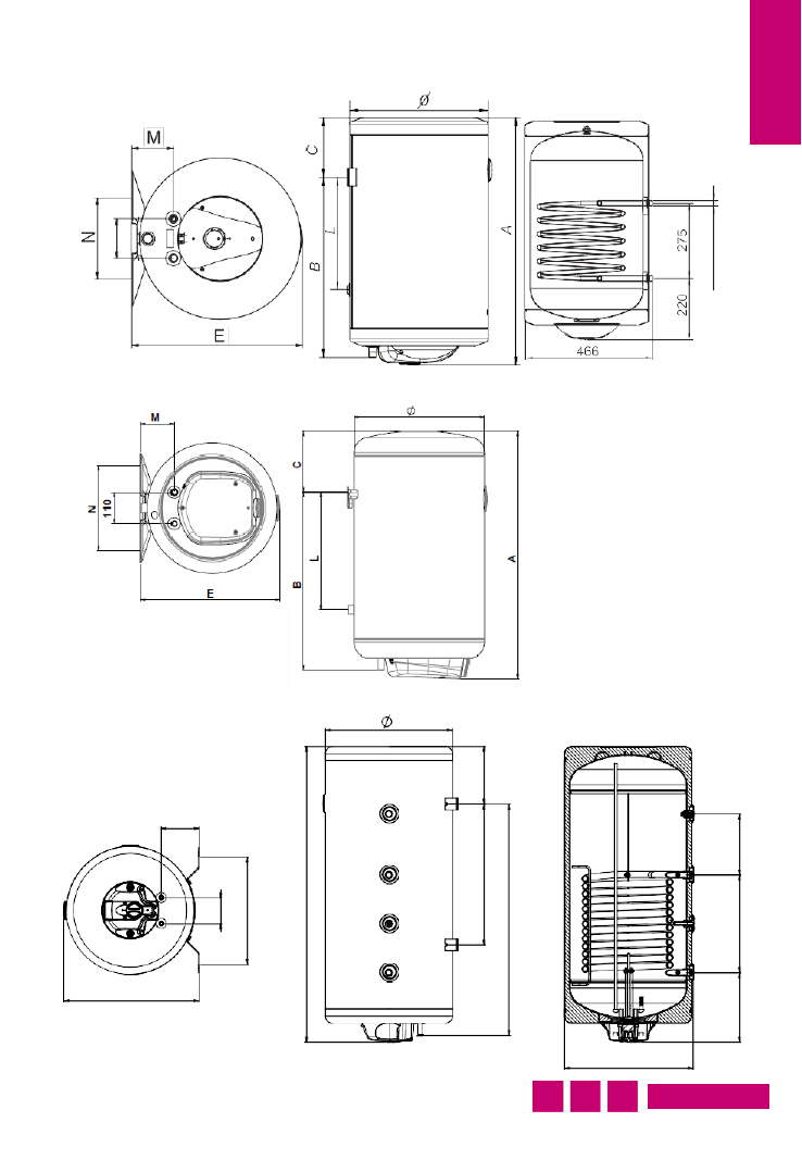
Подключение и размеры под монтаж
бойлера Optima, Heatleader, Combi
NNU
QUO
Рис. 4
Klassa
Рис. 5
Combi Pro
M
E
Рис. 6
S
9
OOT
IO
NNM
110
N
A
L
C
B
G
½"
(
G
¾"
)
H1
41
6
H2
R
U
S
Содержание
- 2 СОДЕРЖАНИЕ
- 3 ТЕХНИЧЕСКАЯ ИНСТРУКЦИЯ; OPTIMA
- 5 НАИМЕНОВАНИЕ: тип OPTIMA
- 6 НАИМЕНОВАНИЕ: тип KLASSA; CH R; НАИМЕНОВАНИЕ: тип HEATLEADER; MB; MB Slim
- 8 НАИМЕНОВАНИЕ: тип HEATLEADER COMBI; НАИМЕНОВАНИЕ: тип COMBI PRO
- 9 Подключение и размеры под монтаж; Klassa; NNM
- 11 Технические характеристики теплообменника
- 14 работают также как электрические водонагреватели, но в них; Подключение к электросети; Вставьте вилку в розетку.
- 17 входит в гарантийные обязательства изготовителя и продавца.
Характеристики
Остались вопросы?Не нашли свой ответ в руководстве или возникли другие проблемы? Задайте свой вопрос в форме ниже с подробным описанием вашей ситуации, чтобы другие люди и специалисты смогли дать на него ответ. Если вы знаете как решить проблему другого человека, пожалуйста, подскажите ему :)