Водонагреватели Metalac COMBI PRO WR 150 173256 - инструкция пользователя по применению, эксплуатации и установке на русском языке. Мы надеемся, она поможет вам решить возникшие у вас вопросы при эксплуатации техники.
Если остались вопросы, задайте их в комментариях после инструкции.
"Загружаем инструкцию", означает, что нужно подождать пока файл загрузится и можно будет его читать онлайн. Некоторые инструкции очень большие и время их появления зависит от вашей скорости интернета.

13
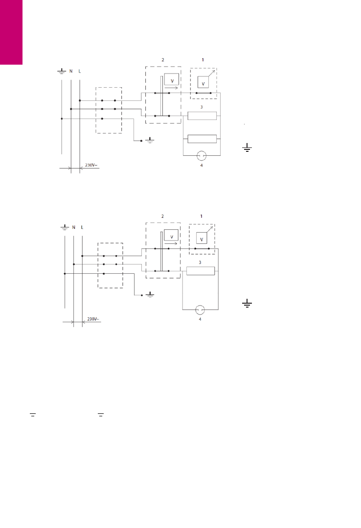
1. Termostat
2. Bimetalni osigurač
3. Grejač
4. Signalna sijalica
L
–
Faza
N
–
Nula
- Uzmeljenje
Sl. 5
Sl. 6
Схема подключения линий электропередачи накопительного водонагревателя
MB Klassa CH:
Рис. 10
Схема подключения линий электропередачи накопительного водонагревателя
MB Klassa:
Рис.
ВНИМАНИЕ! При любом ремонте обязательно отключите водонагреватель
от сети элекропитания.
ЭКСПЛУАТАЦИЯ, КОНТРОЛЬ И ОБСЛУЖИВАНИЕ
ЭЛЕКТРОНАГРЕВАТЕЛЯ ВОДЫ
После подключения к водопроводной и электросетям водонагреватель готов к
эксплуатации. у моделей водонагревателей без наружной регулировки (без кнопки на
крышке) температуру воды в нагревателе регулирует термостат, отрегулированный на
фабрике. Не рекомендуется менять установленную температуру (t = 55°С), данная
температура рассчитана на экономный расход электроэнергии и минимальное
образование накипи.
Если пользователь захочет поменять температуру нагрева воды, то необходимо
отключить водонагреватель от электросети, снять защитную пластмассовую крышку
снизу водонагревателя, повернуть кнопку и изменить температуру нагрева воды от 20°С
до 75°С. Водонагреватели моделей типа OPTIMA, HEATLEADER, COMBI и COMBI PRO с
обозначением R, оснащены регулятором для ручной регулировки требуемой температуры
1.
Термостат
2.
Биметаллически
й предохранитель
3.
Нагреватель
3. Индикаторная
лампочка
L
– фаза
N
– нулевая фаза
заземление
1.
Термостат
2.
Биметаллически
й предохранитель
3.
Нагреватель
3. Индикаторная
лампочка
L
– фаза
N
– нулевая фаза
заземление
10
R
U
S
Содержание
- 2 СОДЕРЖАНИЕ
- 3 ТЕХНИЧЕСКАЯ ИНСТРУКЦИЯ; OPTIMA
- 5 НАИМЕНОВАНИЕ: тип OPTIMA
- 6 НАИМЕНОВАНИЕ: тип KLASSA; CH R; НАИМЕНОВАНИЕ: тип HEATLEADER; MB; MB Slim
- 8 НАИМЕНОВАНИЕ: тип HEATLEADER COMBI; НАИМЕНОВАНИЕ: тип COMBI PRO
- 9 Подключение и размеры под монтаж; Klassa; NNM
- 11 Технические характеристики теплообменника
- 14 работают также как электрические водонагреватели, но в них; Подключение к электросети; Вставьте вилку в розетку.
- 17 входит в гарантийные обязательства изготовителя и продавца.













