Водонагреватели Ладогаз ВПГ 10Е - инструкция пользователя по применению, эксплуатации и установке на русском языке. Мы надеемся, она поможет вам решить возникшие у вас вопросы при эксплуатации техники.
Если остались вопросы, задайте их в комментариях после инструкции.
"Загружаем инструкцию", означает, что нужно подождать пока файл загрузится и можно будет его читать онлайн. Некоторые инструкции очень большие и время их появления зависит от вашей скорости интернета.

11
лучами
,
в
близи
источников
тепла
:
радиаторов
отопления
,
печи
,
плиты
и
др
.
нагревательных
приборов
.
11.
Подключение
аппарата
к
дымоходу
.
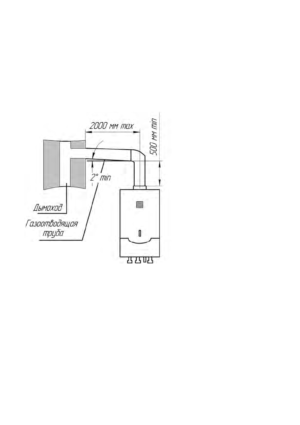
11.1
Наиболее
распространенная
схема
подсоединения
газоотводящей
трубы
представлена
на
рис
.6.
Рис
. 6
Подключение
аппарата
к
дымоходу
.
Запрещается
использовать
вентиляционные
каналы
для
удаления
продуктов
сгорания
.
11.2
Требования
к
дымоходу
и
газоотводящей
трубе
,
соединяющей
аппарат
и
дымоход
:
-
тяга
в
дымоходе
должна
быть
в
пределах
1,96-2940
Па
-
материал
газоотводящей
трубы
должен
быть
выполнен
из
коррозионностойких
негорючих
материалов
и
выдерживать
длительную
работу
при
температуре
200
º
С
.
Рекомендуемые
материалы
:
нержавеющая
,
оцинкованная
или
эмалированная
сталь
,
алюминий
,
медь
с
толщиной
стенки
не
менее
0,5
мм
.
Внутренний
диаметр
газоотводящей
трубы
должен
быть
110
мм
(
для
ВПГ
14F 130
мм
).
-
длина
вертикального
участка
газоотводящей
трубы
от
аппарата
должна
быть
не
менее
500
мм
.
-
газоотводящая
труба
должна
иметь
уклон
не
менее
2
º
вверх
по
направлению
к
дымоходу
и
минимальное
количество
поворотов
(
не
более
трех
).
Содержание
- 7 LCD; Установка
- 11 Подключение
- 20 LCD
- 28 Предупреждение
- 30 Сведения








