Водонагреватели Kospel SW-200 - инструкция пользователя по применению, эксплуатации и установке на русском языке. Мы надеемся, она поможет вам решить возникшие у вас вопросы при эксплуатации техники.
Если остались вопросы, задайте их в комментариях после инструкции.
"Загружаем инструкцию", означает, что нужно подождать пока файл загрузится и можно будет его читать онлайн. Некоторые инструкции очень большие и время их появления зависит от вашей скорости интернета.

3/'()5*%/958BI
18
17
10
11
13
14
16
15
G3/4
ZW
PG1
G3/4
6
G3/4
G1/2
ZG1
C
CW
ø500
G3/4
G3/4
1
1
1
214
C
E
G
H
1610
1464
1291
E
903
813
G3/4
G1
G1/2
G3/4
G1
G1
G1
G3/4
G1/2
ø595
CW
ZG2
C
6
PG2
ZG1
6
PG1
ZW
127
B
21
20
16
15
13
14
12
10
11
17
18
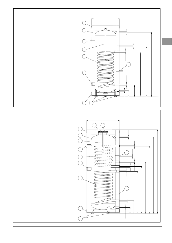
6:&\OLQGHUFRQVWUXFWLRQOLWUHV
6%6%=6:6:=&\OLQGHUFRQVWUXFWLRQOLWUHV
>@ VHQVRUSLSH
>@ LPPHUVLRQKHDWHU¿WWLQJFRUNò¶¶
>@ KHDWLQJFRLO
>@ PDJQHVLXPDQRGH
>@ WKHUPRPHWHU
>@ WKHUPDOLQVXODWLRQ
>@ XSSHUOLG
>@ ORZHUOLG
>@ IHHW
=: FROGZDWHU
&: KRWZDWHU
& FLUFXODWLRQ
=* KHDWLQJPHGLXPVXSSO\
3* KHDWLQJPHGLXPUHWXUQ
$+ GLPHQVLRQVGHVFULEHGLQWHFKQLFDO
GDWDWDEOH
>@ VHQVRUSLSH
>@ LPPHUVLRQKHDWHU¿WWLQJFRUNò¶¶
>@ ORZHUKHDWLQJFRLO
>@ XSSHUKHDWLQJFRLO
>@ PDJQHVLXPDQRGH
>@ WKHUPRPHWHU
>@ WKHUPDOLQVXODWLRQ
>@ XSSHUOLG
>@ ORZHUOLG
>@ IHHW
>@ ¡DFFHVVKROH
>@ DFFHVVKROHFRYHU
=: FROGZDWHU
&: KRWZDWHU
& FLUFXODWLRQ
=*=*KHDWLQJPHGLXPVXSSO\
3*3*KHDWLQJPHGLXPUHWXUQ
%( GLPHQVLRQVGHVFULEHGLQWHFKQLFDOGDWD
WDEOH
$Q XSSHU KHDWLQJ FRLO =*3*
¿WWLQJ DQG XSSHU VHQVRU SLSH DUH
DYDLODEOHLQ6%DQG6%=RQO\
*%

