Водонагреватели Kospel EPV 21 Luxus - инструкция пользователя по применению, эксплуатации и установке на русском языке. Мы надеемся, она поможет вам решить возникшие у вас вопросы при эксплуатации техники.
Если остались вопросы, задайте их в комментариях после инструкции.
"Загружаем инструкцию", означает, что нужно подождать пока файл загрузится и можно будет его читать онлайн. Некоторые инструкции очень большие и время их появления зависит от вашей скорости интернета.

8
С целью защиты водонагрева-
теля от повреждений исполь-
зо- вана термическая защитная
система
- Термический вык лючатель
WT3, который при росте тем-
пературы в водонагрева- тель-
ном узле [1] выше 100°С,
отключает электропитание
водонагревателя. После сра-
батывания термического вы-
ключателя эксплуатация водо-
нагревателя невозможна.
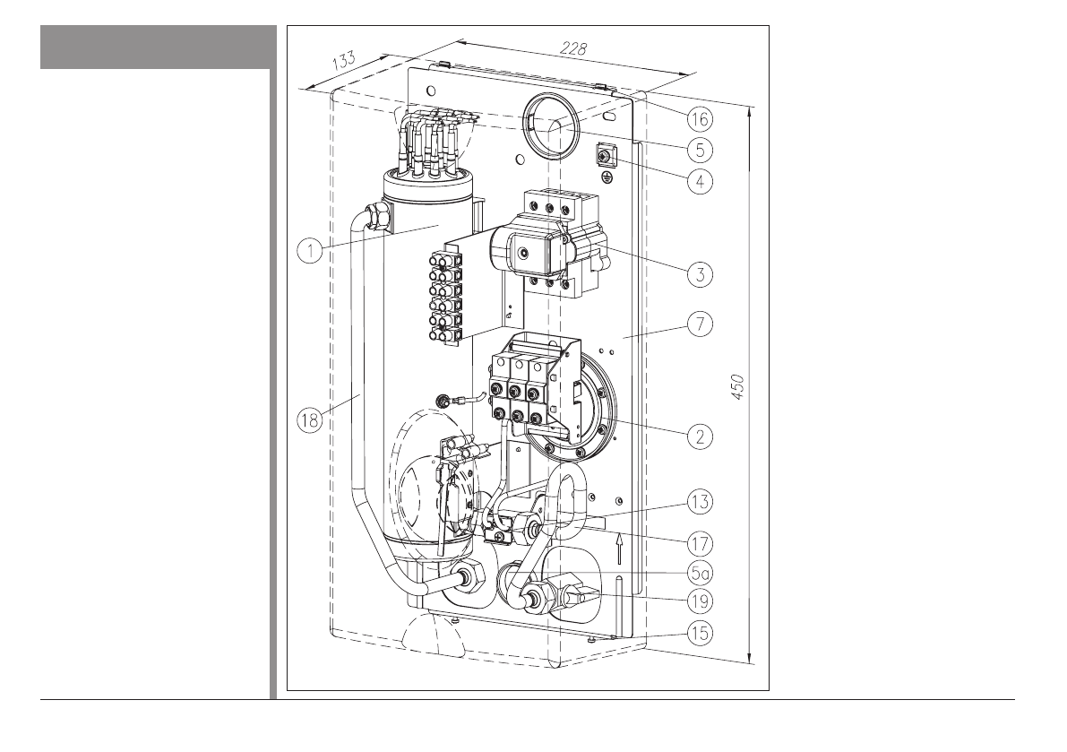
Рис.11 В н у т р е н н е е у с т р о й -
ство
[1] - во д о н а г р е ва т ел ь н ы й
блoк
[2] - водный узел
[3] - термический выключа-
тель WТ3
[4] - зажим провода заземле-
ния
[5] - отверстие для входа
кабеля питания
[7] - основание
[13] - фланцевый узел
[15] - винты крепления
[16] - выступы
[17] - п р и с о е д и н е н и е в х о д а
- холодная вода
[18] - присоединение выхода
- горячая вода
[19] - регулировочный клапан
Любое вмешательство во
внутреннее устройство
термического вык люча-
теля WТ3 запрещается
и грозит необратимым
повреждением водонагре-
вателя.
В сл уча е , к о гд а в к л ючен ие
водонагревателя из за большого
потребления мощности вынуж-
д а ет от к л юч е н и е к а к о гол и б о
другого электрического устрой-
ства, нео- бходимо использовать
прио- ритетный выключатель.
На рас- пределительном щите
к фазовому проводу,
подклю-
ченному к зажиму "L2" на WТ3
[3], подсоединить токовое реле.
В момент вк лючения водона-
гревателя ток, проходящий через
первую включенную грелку, вызы-
вает срабатывание токового реле
и разрыв вспомогательной цепи.
11
Устройство

