Водонагреватели Kospel EPPV 12 Bonus - инструкция пользователя по применению, эксплуатации и установке на русском языке. Мы надеемся, она поможет вам решить возникшие у вас вопросы при эксплуатации техники.
Если остались вопросы, задайте их в комментариях после инструкции.
"Загружаем инструкцию", означает, что нужно подождать пока файл загрузится и можно будет его читать онлайн. Некоторые инструкции очень большие и время их появления зависит от вашей скорости интернета.

9
RUS-007A/p.216
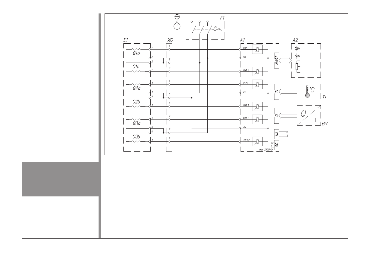
Рис.8 Принципиальная схема
Е1 - нагревательный блок [1]
BV - датчик протока воды [2]
F - т е рм и ч ес к и й в ы к л юч а -
тель WT3 [3]
XG - планка подключения на-
гревательного блока
А1 - плата управления
А2 - плата индикаторов
NAST - разъем подключения пла-
ты индикаторов
Т1 - д а т ч и к т е м п е р а т у р ы
воды на входе
NA - б л о к и р о в к а в к л юч е н и я
водонагревателя
SG - зажимы реле сигнализа-
ции нагрева
Устранение вышеперечисленных причин неправильной работы водонагревателя не входит в перечень
работ гарантийного ремонта. В случае аварии (т.е. если водонагреватель работает неправильно, и ни
одна из вышеназванных причин не обнаружена) следует обратиться в сервисный центр для устранения
неисправностей.
- повреждение электропроводки источника питания или непра-
вильное подсоединение патрубков вход-выход
- засоренный сетчатый фильтр, не до конца открыты регулиро-
вочные клапана системы
- слабый нагрев или его отсут-
ствие
- разъединен разъем NAST
- повреждение электропроводки источника питания
Крышку водонагревателя
можно снимать только
после отключения водо-
нагревателя от сети.
Возможные неисправности и их вероятные причины:
- не горят индикаторы
- слабый проток воды
Неправильная
работа
устройства
8
Сеть
Нагрев
Установка
прироста
температуры
Разрыв цепи - блокада
включения водонагревателя
работа водонагревателя
- контакт разомкнут
L1 L2 L3

