Водонагреватели Kospel EPP 36 Maximus - инструкция пользователя по применению, эксплуатации и установке на русском языке. Мы надеемся, она поможет вам решить возникшие у вас вопросы при эксплуатации техники.
Если остались вопросы, задайте их в комментариях после инструкции.
"Загружаем инструкцию", означает, что нужно подождать пока файл загрузится и можно будет его читать онлайн. Некоторые инструкции очень большие и время их появления зависит от вашей скорости интернета.

9
RUS-008B/p.304
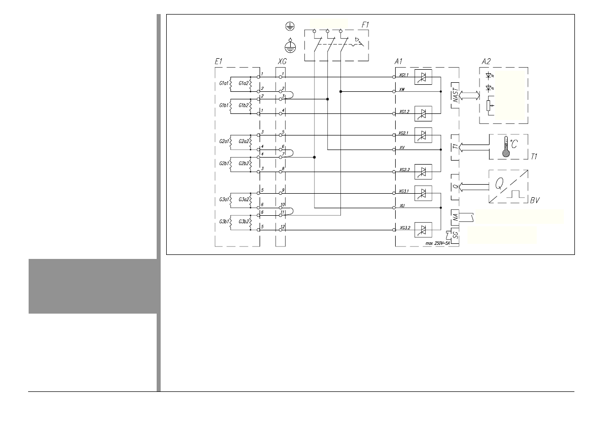
Рис.7 Принципиальная схема
Е1 - нагревательный блок [1]
BV - датчик протока воды [2]
F1 - термический выключатель
WT3a [3]
XG - планка подключения нагрева-
тельного блока
А1 - плата управления
А2 - плата индикаторов
NAST - разъем подключения платы
индикаторов
Т1 - датчик температуры воды на
входе
NA - блокировка включения водона-
гревателя
SG - клеммы реле включения вто-
ростепенного потребителя
энергии
Крышку водонагревателя
можно снимать только
после отключения водона-
гревателя от сети.
Неправильная
работа
устройства
Устранение вышеперечисленных причин неправильной работы водонагревателя не входит в перечень
работ гарантийного ремонта. В случае аварии (т.е. если водонагреватель работает неправильно, и ни
одна из вышеназванных причин не обнаружена) следует обратиться в сервисный центр для устранения
неисправностей.
- слабый нагрев или его отсутствие
Возможные неисправности и их вероятные причины:
- не горят индикаторы
- слабый проток воды
Сеть
Нагрев
Установка
прироста
температуры
Разрыв цепи - блокада
включения водонагревателя
7
- разорвана цепь на клеммах [NAST].
- повреждена проводка электропитания
водонагревателя
- повреждена проводка электропитания
водонагревателя
- загрязнен сетчатый фильтр, плохо открыт
регулировочный кран
L1 L2 L3
работа водонагревателя
- контакт разомкнут

