Водонагреватели Kospel EPJ 4,4 primus - инструкция пользователя по применению, эксплуатации и установке на русском языке. Мы надеемся, она поможет вам решить возникшие у вас вопросы при эксплуатации техники.
Если остались вопросы, задайте их в комментариях после инструкции.
"Загружаем инструкцию", означает, что нужно подождать пока файл загрузится и можно будет его читать онлайн. Некоторые инструкции очень большие и время их появления зависит от вашей скорости интернета.

9
RUS-003A/p.302
6
Возможные неисправности и их вероятные причины:
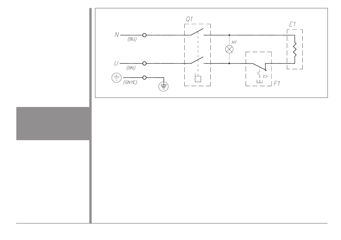
Рис.6 Принципиальная схема
E1 - Водонагревательный блoк [1]
Q1 - Водный узел [2]
F1 - Термический выключатель [3]
H1 - Индикатор нагрева [24]
BN - коричневый
BU - синий
GNYE - зелено-желтый
- повреждена электропроводка источника питания водонагревателя (например, предохранитель),
- недостаточное протекание воды через водонагреватель (например, неправильно установлен регу-
лирующий клапан - см. раздел Регулировка, водонагреватель засорен).
Устранение вышеназванных причин неправильной работы водонагревателя не входит в перечень
работ гарантийного ремонта.
В случае аварии (т.е. если водонагреватель работает неправильно, а ни одна из вышеназванных
причин не обнаpyжeнa) нужно обратиться в сервисный центр для устранения неисправностей.
Неправильная
работа
устройства