Водонагреватели Kospel EPJ 3 5 Optimus - инструкция пользователя по применению, эксплуатации и установке на русском языке. Мы надеемся, она поможет вам решить возникшие у вас вопросы при эксплуатации техники.
Если остались вопросы, задайте их в комментариях после инструкции.
"Загружаем инструкцию", означает, что нужно подождать пока файл загрузится и можно будет его читать онлайн. Некоторые инструкции очень большие и время их появления зависит от вашей скорости интернета.

8
Руководство по эксплуатации EPJ
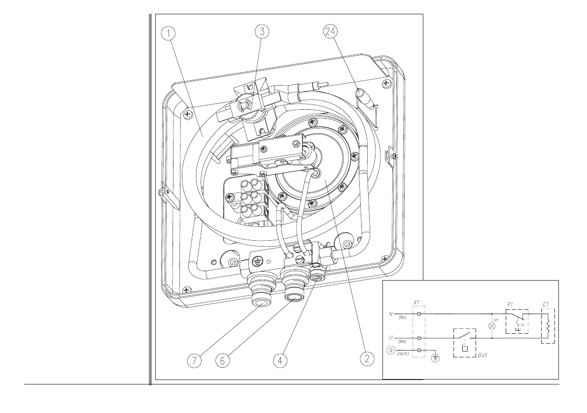
Рис.8 Устройство водона-
гревателя EPJ - 4,4;
EPJ - 5,5
[1] - Водонагревательный блoк
[2] - Водный узел
[3] - Термический выключатель
[4] - Регулировочный кран
[6] - Штуцер на входе (холодная
вода)
[7] - Штуцер на выходе (горячая
вода)
[24] - Индикатор нагрева
Рис.9 Принципиальная схема
EPJ - 4,4; EPJ - 5,5
E1 - Водонагревательный блoк [1]
BV1 - Водный узел [2]
F1 - Термический выключатель [3]
H1 - Индикатор нагрева [24]
BN - коричневый
BU - синий
GNYE - зелено-желтый
9
8
