Водонагреватели Kospel 5 л, нижнее подключение POC.G-5 220W - инструкция пользователя по применению, эксплуатации и установке на русском языке. Мы надеемся, она поможет вам решить возникшие у вас вопросы при эксплуатации техники.
Если остались вопросы, задайте их в комментариях после инструкции.
"Загружаем инструкцию", означает, что нужно подождать пока файл загрузится и можно будет его читать онлайн. Некоторые инструкции очень большие и время их появления зависит от вашей скорости интернета.

10
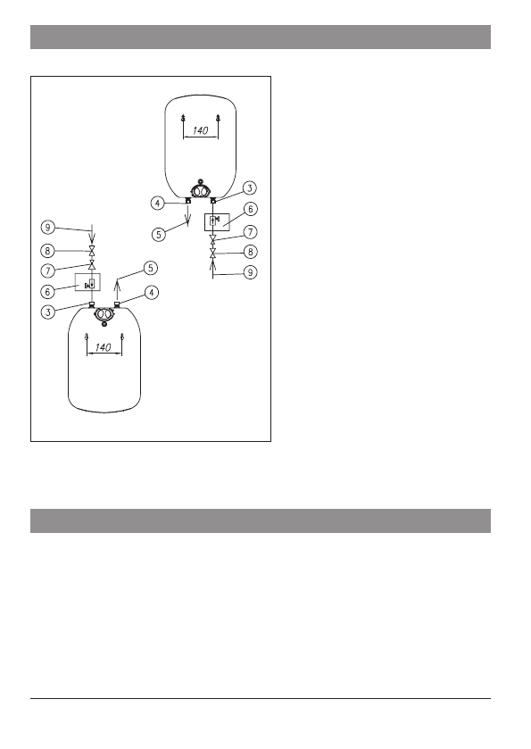
Vandens šildytuvai POC.G arba
P O C . D j u n g i a m i p r i e s l ė g i n i o
vandentiekio tinklo kuriame slėgis
neviršyja 0,6MPa (6 bar). Jeigu slėgis
vandentiekio tinkle viršyja 0,6MPa
(6 bar), prieš apsauginį vožtuvą
būtina sumontuoti slėgio redukcinį
v o ž t u v ą . I š a p s a u g i n i o v o ž t u v o
vandens šildytuvo darbo metu gali
lašėti vanduo. Tai normali darbinė
įrenginio būsena. Apsauginio vožtuvo
vandens nuvedimo angos negalima
užaklinti, ar kitaip uždaryti, nes tai gali
tapti avarijos priežąstimi.
Apsauginis vožtuvas negali būti
patalpoje, kurioje temperatūra gali
nukristi žemiau 0
0
C.
Tarp vandens šildytuvo ir apsauginio
vožtuvo negali būti įrengiama jokia
uždaromoji armatūra.
Vandens šildytuvas skirtas maitinimui iš 230V ~ elektros tinklo. Kištukinis lizdas, prie
kurio bus jungiamas šildytuvas, turi būti įžemintas.
Elektros pajungimas turi būti atliktas laikantis galiojančių normų .
Prieš pajungiant šildytuvą į elektros tinklą būtina jį pilnai pripildyti vandeniu.
POC.G
POC.D
Pajungimas prie vandentiekio tinklo
Šildytuvo pajungimas prie elektros tinklo
[3] - šalto vandens pa jun-
gimo atvamzdis
[4] - karšto vandens pajun-
gimo atvamzdis
[5] - karšto vandens išėjimas
[6] - apsauginis vožtuvas
[7] - redukcinis vožtuvas
(tuo, atveju kai slėgis
vandentiekio tinkle di-
desnis nei 6 bar)
[8] - uždarymo ventilis
[9] - šalto vandens padavimas

 
 
 
 
 
 
 
 
 
 
 
 
 
 
 
 
 
 
 
 