Водонагреватели Hyundai H-SWS14-100V-UI557 - инструкция пользователя по применению, эксплуатации и установке на русском языке. Мы надеемся, она поможет вам решить возникшие у вас вопросы при эксплуатации техники.
Если остались вопросы, задайте их в комментариях после инструкции.
"Загружаем инструкцию", означает, что нужно подождать пока файл загрузится и можно будет его читать онлайн. Некоторые инструкции очень большие и время их появления зависит от вашей скорости интернета.

16
Электрический накопительный водонагреватель
RU
ВНИМАНИЕ!
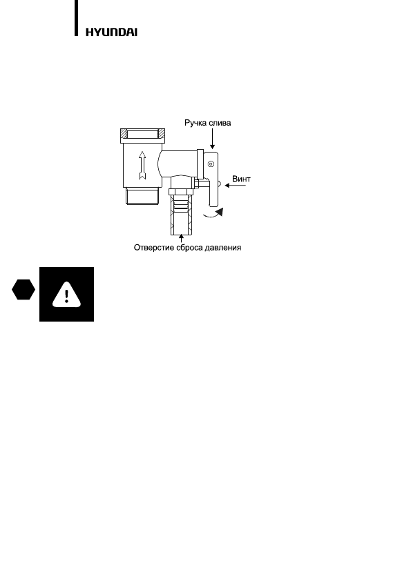
Если вода не потечет, то клапан испорчен. В этом случае
нельзя использовать водонагреватель и рекомендуется
вызвать специалиста сервисного центра.
Наружные поверхности водонагревателя по мере необходимости проти-
райте влажной тряпочкой с мылом.
Помните о контрольных проверках исправности действия предохрани-
тельного клапана каждые 14 дней. Cпособ проверки: перевести ручку
слива в верхнее положение до ощущения перехода резьбы и тогда из
отверстия клапана должна потечь вода. После проверки вытекания
воды верните ручку в предыдущее положение.
Содержание
- 2 Содержание; Обзор
- 3 ОБЗОР; Назначение
- 4 Устройство
- 5 Внешний вид
- 6 Расшифровка артикула; Комплектация; Heatg
- 7 Технические параметры
- 8 Габаритные и установочные размеры*
- 9 ПРАВИЛА БЕЗОПАСНОЙ ЭКСПЛУАТАЦИИ
- 12 Подключение к водопроводной сети
- 13 ЭКСПЛУАТАЦИЯ; Установка температуры нагрева воды
- 14 ОБСЛУЖИВАНИЕ
- 17 ПОИСК И УСТРАНЕНИЕ НЕИСПРАВНОСТЕЙ
- 18 УТИЛИЗАЦИЯ, СРОК СЛУЖБЫ, ГАРАНТИЙНЫЙ СРОК
- 19 ИНФОРМАЦИЯ О СЕРТИФИКАЦИИ; Изделие соответствует директиве ЕЕС 89/336, касающейся электро-
- 20 НОРМАТИВНЫЕ ДОКУМЕНТЫ; ТОВАР СЕРТИФИЦИРОВАН НА ТЕРРИТОРИИ ТАМОЖЕННОГО СОЮЗА; СПЕЦИАЛЬНАЯ СТРАХОВАЯ ПРОГРАММА
- 22 ГАРАНТИЙНЫЕ ОБЯЗАТЕЛЬСТВА
- 24 Изготовитель оставляет за собой право:; Досрочное прекращение гарантийного обслуживания.
- 25 Гарантийные обязательства не распространяются на
- 26 Гарантийные обязательства Изготовителя не распро-
- 27 Таблица 1
- 31 Бланк гарантийного талона; Без подписи покупателя на странице 30
- 33 Отрывной талон «А»; Отрывной талон «Б»; Отрывной талон «В»
- 35 Профилактическое обслуживание изделия.
- 36 Адреса и телефоны авторизованных сервисных центров
Характеристики
Остались вопросы?Не нашли свой ответ в руководстве или возникли другие проблемы? Задайте свой вопрос в форме ниже с подробным описанием вашей ситуации, чтобы другие люди и специалисты смогли дать на него ответ. Если вы знаете как решить проблему другого человека, пожалуйста, подскажите ему :)