Водонагреватели Hyundai H-SWS1-80V-UI071 - инструкция пользователя по применению, эксплуатации и установке на русском языке. Мы надеемся, она поможет вам решить возникшие у вас вопросы при эксплуатации техники.
Если остались вопросы, задайте их в комментариях после инструкции.
"Загружаем инструкцию", означает, что нужно подождать пока файл загрузится и можно будет его читать онлайн. Некоторые инструкции очень большие и время их появления зависит от вашей скорости интернета.

33.
Электрический накопительный водонагреватель
RU
СЕРТИФИКАЦИЯ
При отсутствии копии нового сертификата в коробке, спрашивайте копию у продавца.
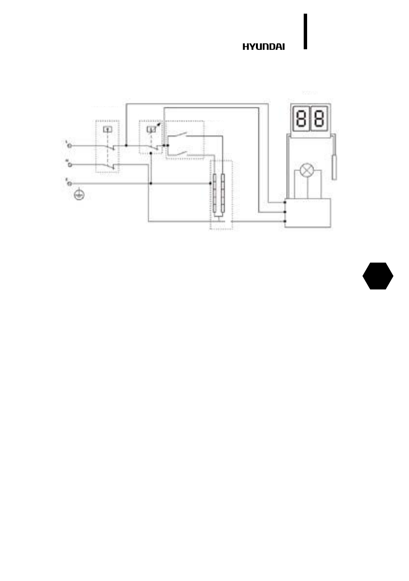
ЭЛЕКТРИЧЕСКАЯ ПРИНЦИПИАЛЬНАЯ СХЕМА
ограничитель
температуры
переключатель режимов мощности
индикаторная
лампа
да
тчик
тем
пера
ту
ры
нагрев
ат
ельный э
лем
ент
дисплей
термостат
силовая плата
индикации
Содержание
- 2 Electrical storage water heater; Instruction manual
- 19 Содержание
- 20 ВВЕДЕНИЕ; Описание
- 23 Технические параметры
- 25 ПРАВИЛА БЕЗОПАСНОЙ ЭКСПЛУАТАЦИИ И; Безопасность детей и лиц с ограниченными физическими; Общие правила безопасности; Безопасность и предостережения при установке
- 27 Монтаж; УСТАНОВКА
- 28 Подключение к водопроводной сети
- 29 ЭКСПЛУАТАЦИЯ; Подключение к электрической сети
- 31 ОБСЛУЖИВАНИЕ
- 33 Неисправность; ПОИСК И УСТРАНЕНИЕ НЕИСПРАВНОСТЕЙ
- 34 СЕРТИФИКАЦИЯ
- 35 УВАЖАЕМыЙ ПОКУПАТЕЛЬ!
- 38 Гарантийные обязательства
- 39 Заполнение гарантийного талона
- 40 Изготовитель оставляет за собой право:; Общие правила установки, подключения и запуска в
- 41 Гарантийные обязательства не распространяются на
- 42 Изготовитель не несет гарантийных обязательств за изделие; Особые условия гарантийного обслуживания для отдельных
- 43 Водонагревательное оборудование
- 45 Кондиционеры, устройства с компрессором
- 46 Электрические обогреватели
- 47 Cтандартные гарантийные сроки для изделий,; Кондиционеры воздуха:
- 50 Сведения об установке изделия
- 54 Профилактическое обслуживание изделия.
- 56 Вниманию покупателей!