Водонагреватели Hyundai H-SWE4-10V-UI100 - инструкция пользователя по применению, эксплуатации и установке на русском языке. Мы надеемся, она поможет вам решить возникшие у вас вопросы при эксплуатации техники.
Если остались вопросы, задайте их в комментариях после инструкции.
"Загружаем инструкцию", означает, что нужно подождать пока файл загрузится и можно будет его читать онлайн. Некоторые инструкции очень большие и время их появления зависит от вашей скорости интернета.
Загружаем инструкцию

16.
Электрический накопительный водонагреватель
RU
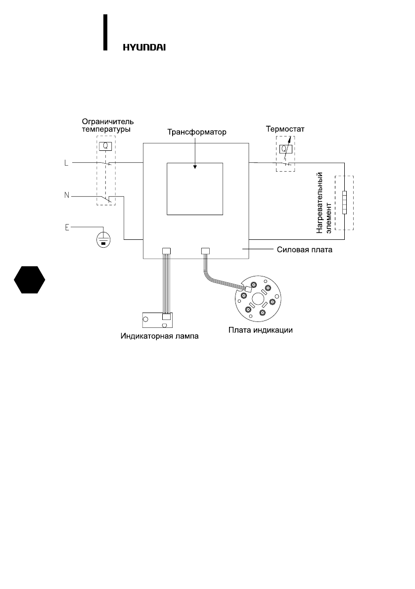
Электрическая принципиальная схема
Содержание
- 3 ВВЕДЕНИЕ; Описание
- 5 Устройство
- 6 Технические параметры
- 7 ПРАВИЛА БЕЗОПАСНОЙ ЭКСПЛУАТАЦИИ И; Безопасность детей и лиц с ограниченными физическими
- 8 Безопасность и предостережения при эксплуатациии; ВНИМАНИЕ!; Утилизация
- 9 УСТАНОВКА; Монтаж
- 10 Подключение к водопроводной сети
- 11 Подключение к электрической сети
- 12 ЭКСПЛУАТАЦИЯ
- 13 Обслуживание
- 15 Поиск и устранение неисправностей
- 17 УВАЖАЕМЫЙ ПОКУПАТЕЛЬ!
- 19 Гарантийные обязательства
- 20 Гарантийный срок действителен для изделий, произведен
- 21 Досрочное прекращение гарантийного обслуживания.
- 22 Гарантийные обязательства не распространяются на
- 23 Гарантийные обязательства Изготовителя не распространяются
- 27 Бланк гарантийного талона; Без подписи покупателя на странице 26 Гарантийный талон
- 31 Профилактическое обслуживание изделия.
- 33 Вниманию покупателей!