Водонагреватели Hyundai H-SWE3-30V-UI301 - инструкция пользователя по применению, эксплуатации и установке на русском языке. Мы надеемся, она поможет вам решить возникшие у вас вопросы при эксплуатации техники.
Если остались вопросы, задайте их в комментариях после инструкции.
"Загружаем инструкцию", означает, что нужно подождать пока файл загрузится и можно будет его читать онлайн. Некоторые инструкции очень большие и время их появления зависит от вашей скорости интернета.
Загружаем инструкцию

32.
Электрический накопительный водонагреватель
RU
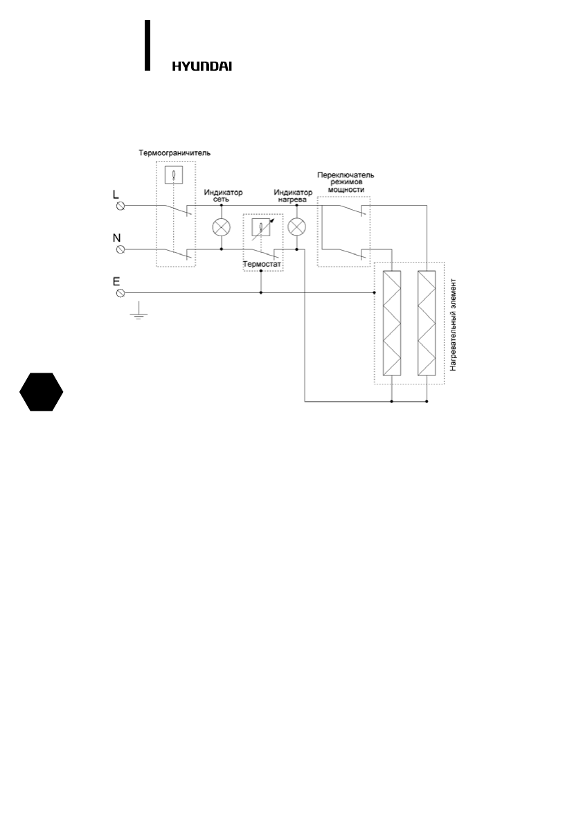
7. ЭЛЕКТРИЧЕСКАЯ ПРИНЦИПИАЛЬНАЯ СХЕМА
Содержание
- 17 Содержание
- 18 ВВЕДЕНИЕ; Описание
- 19 Внешний вид
- 20 Устройство
- 21 Технические параметры; Серия прибора
- 22 Габаритные и установочные размеры; ПРАВИЛА БЕЗОПАСНОЙ ЭКСПЛУАТАЦИИ И
- 23 Безопасность детей и лиц с ограниченными физическими; Общие правила безопасности; Безопасность и предостережения при установке
- 24 Безопасность и предостережения при; УТИЛИЗАЦИЯ
- 25 Монтаж
- 26 Подключение к водопроводной сети
- 27 Подключение к электрической сети
- 31 Неисправность; ПОИСК И УСТРАНЕНИЕ НЕИСПРАВНОСТЕЙ
- 33 УВАЖАЕМыЙ ПОКУПАТЕЛЬ!
- 35 Гарантийные обязательства
- 36 Заполнение гарантийного талона
- 37 Изготовитель оставляет за собой право:; Общие правила установки, подключения и запуска в
- 38 Гарантийные обязательства не распространяются на
- 39 Изготовитель не несет гарантийных обязательств за изделие; Особые условия гарантийного обслуживания для отдельных
- 40 Водонагревательное оборудование
- 42 Кондиционеры, устройства с компрессором
- 43 Электрические обогреватели
- 44 Cтандартные гарантийные сроки для изделий,; Накопительные водонагреватели:; Кондиционеры воздуха:
- 47 Сведения об установке изделия
- 51 Профилактическое обслуживание изделия.
- 53 Вниманию покупателей!













