Водонагреватели Hyundai H-SWE1-80V-UI067 - инструкция пользователя по применению, эксплуатации и установке на русском языке. Мы надеемся, она поможет вам решить возникшие у вас вопросы при эксплуатации техники.
Если остались вопросы, задайте их в комментариях после инструкции.
"Загружаем инструкцию", означает, что нужно подождать пока файл загрузится и можно будет его читать онлайн. Некоторые инструкции очень большие и время их появления зависит от вашей скорости интернета.
Загружаем инструкцию

30.
Электрический накопительный водонагреватель
RU
СЕРТИФИКАЦИЯ
При отсутствии копии нового сертификата в коробке, спрашивайте копию у продавца.
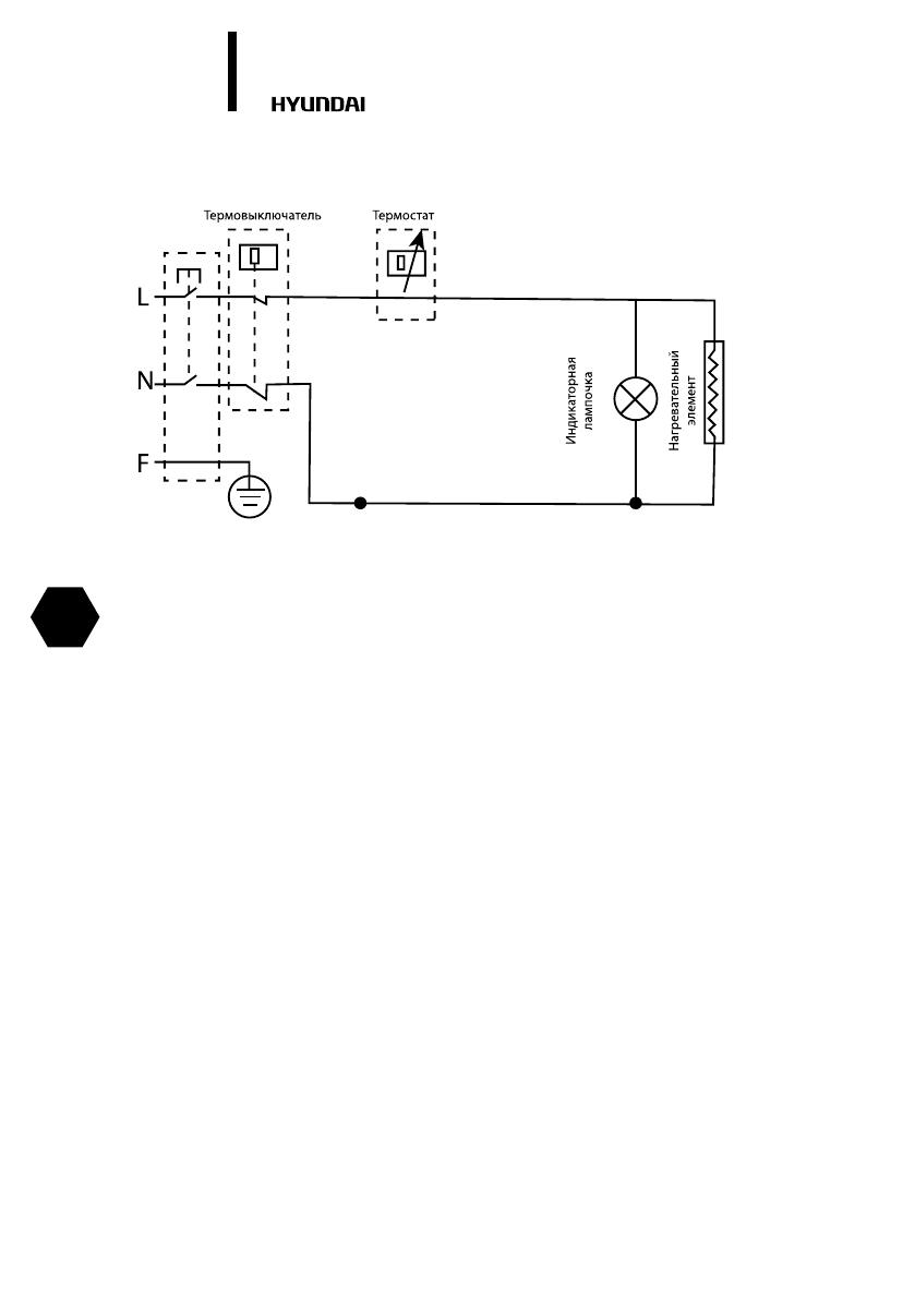
ЭЛЕКТРИЧЕСКАЯ ПРИНЦИПИАЛЬНАЯ СХЕМА
нагрева
Содержание
- 2 Содержание
- 3 ВВЕДЕНИЕ; Описание
- 4 Внешний вид; Расшифровка артикула
- 5 Устройство; Комплектация
- 6 Технические параметры; Серия; Габаритные и установочные размеры*
- 7 ПРАВИЛА БЕЗОПАСНОЙ ЭКСПЛУАТАЦИИ И; Безопасность детей и лиц с ограниченными физическими; Общие правила безопасности
- 8 Безопасность и предостережения при установке; Безопасность и предостережения при эксплуатации; ВНИМАНИЕ!
- 9 Утилизация; УСТАНОВКА; Монтаж
- 10 Подключение к водопроводной сети
- 11 Подключение к электрической сети
- 12 ЭКСПЛУАТАЦИЯ
- 13 ОБСЛУЖИВАНИЕ
- 15 Неисправность; ПОИСК И УСТРАНЕНИЕ НЕИСПРАВНОСТЕЙ
- 16 СЕРТИФИКАЦИЯ
- 17 УВАЖАЕМыЙ ПОКУПАТЕЛЬ!
- 19 Гарантийные обязательства
- 20 Заполнение гарантийного талона
- 21 Изготовитель оставляет за собой право:; Общие правила установки, подключения и запуска в
- 22 Гарантийные обязательства не распространяются на
- 23 Изготовитель не несет гарантийных обязательств за изделие; Особые условия гарантийного обслуживания для отдельных
- 24 Водонагревательное оборудование
- 26 Кондиционеры, устройства с компрессором
- 27 Электрические обогреватели
- 28 Cтандартные гарантийные сроки для изделий,; Кондиционеры воздуха:
- 31 Сведения об установке изделия
- 35 Профилактическое обслуживание изделия.
- 37 Вниманию покупателей!