Водонагреватели Haier ES80V-V1(R) - инструкция пользователя по применению, эксплуатации и установке на русском языке. Мы надеемся, она поможет вам решить возникшие у вас вопросы при эксплуатации техники.
Если остались вопросы, задайте их в комментариях после инструкции.
"Загружаем инструкцию", означает, что нужно подождать пока файл загрузится и можно будет его читать онлайн. Некоторые инструкции очень большие и время их появления зависит от вашей скорости интернета.
Загружаем инструкцию

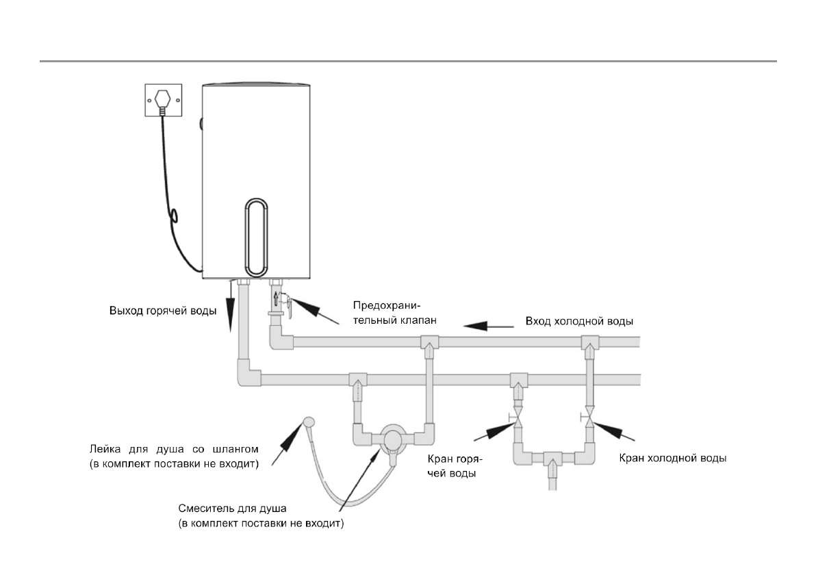
Инструкция по установке
7
Содержание
- 5 Инструкции по технике безопасности
- 7 Инструкция по технике безопасности
- 8 Упаковка и утилизация изделия
- 10 Установка предохранительного клапана; Инструкция по установке
- 11 Монтаж водонагревателя
- 13 Режимы работы
- 16 Очистка и техническое обслуживание
- 18 Внешний вид водонагревателя
- 19 Технические характеристики
- 20 Часто задаваемые вопросы
- 21 Гарантийное и послегарантийное сервисное обслуживание
- 22 Упаковочный лист
- 23 Карта технического обслуживания