Водонагреватели Haier ES50V-V1(R) - инструкция пользователя по применению, эксплуатации и установке на русском языке. Мы надеемся, она поможет вам решить возникшие у вас вопросы при эксплуатации техники.
Если остались вопросы, задайте их в комментариях после инструкции.
"Загружаем инструкцию", означает, что нужно подождать пока файл загрузится и можно будет его читать онлайн. Некоторые инструкции очень большие и время их появления зависит от вашей скорости интернета.
Загружаем инструкцию

Инструкция по установке
7
Содержание
- 5 Инструкции по технике безопасности
- 7 Инструкция по технике безопасности
- 8 Упаковка и утилизация изделия
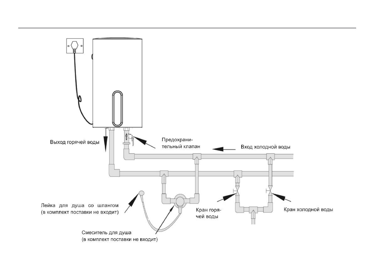
- 10 Установка предохранительного клапана; Инструкция по установке
- 11 Монтаж водонагревателя
- 13 Режимы работы
- 16 Очистка и техническое обслуживание
- 18 Внешний вид водонагревателя
- 19 Технические характеристики
- 20 Часто задаваемые вопросы
- 21 Гарантийное и послегарантийное сервисное обслуживание
- 22 Упаковочный лист
- 23 Карта технического обслуживания
Характеристики
Остались вопросы?Не нашли свой ответ в руководстве или возникли другие проблемы? Задайте свой вопрос в форме ниже с подробным описанием вашей ситуации, чтобы другие люди и специалисты смогли дать на него ответ. Если вы знаете как решить проблему другого человека, пожалуйста, подскажите ему :)
Часто задаваемые вопросы
Как посмотреть инструкцию к Haier ES50V-V1(R)?
Необходимо подождать полной загрузки инструкции в сером окне на данной странице
Руководство на русском языке?
Все наши руководства представлены на русском языке или схематично, поэтому вы без труда сможете разобраться с вашей моделью
Как скопировать текст из PDF?
Чтобы скопировать текст со страницы инструкции воспользуйтесь вкладкой "HTML"