Водонагреватели Haier ES15V-M2 - инструкция пользователя по применению, эксплуатации и установке на русском языке. Мы надеемся, она поможет вам решить возникшие у вас вопросы при эксплуатации техники.
Если остались вопросы, задайте их в комментариях после инструкции.
"Загружаем инструкцию", означает, что нужно подождать пока файл загрузится и можно будет его читать онлайн. Некоторые инструкции очень большие и время их появления зависит от вашей скорости интернета.

7
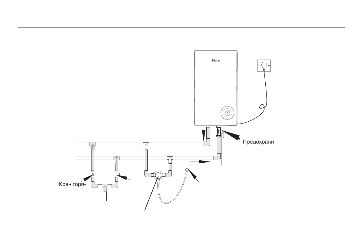
Инструкция по установке
Лейка для душа со шлангом
(в комплект поставки не входит)
Смеситель для душа
(в комплект поставки не входит)
тельный клапан
чей воды
Кран холод
ной воды
Вход холодной воды
Выход горячей воды
Содержание
- 5 Инструкции по технике безопасности
- 7 Инструкция по технике безопасности
- 8 Упаковка и утилизация изделия
- 9 Инструкция по установке
- 10 Установка предохранительного клапана
- 11 Монтаж водонагревателя; кронштейн водонагревателя
- 13 Режимы работы; Метод использования
- 15 Очистка и техническое обслуживание
- 17 Внешний вид водонагревателя
- 19 Часто задаваемые вопросы
- 20 Гарантийное и послегарантийное сервисное обслуживание
- 21 Упаковочный лист