Водонагреватели Gorenje TGR80NGB6 - инструкция пользователя по применению, эксплуатации и установке на русском языке. Мы надеемся, она поможет вам решить возникшие у вас вопросы при эксплуатации техники.
Если остались вопросы, задайте их в комментариях после инструкции.
"Загружаем инструкцию", означает, что нужно подождать пока файл загрузится и можно будет его читать онлайн. Некоторые инструкции очень большие и время их появления зависит от вашей скорости интернета.

UK
16
ПІДКЛЮЧЕННЯ ДО ЕЛЕКТРОМЕРЕЖІ
Перед підключенням до електромережі в нагрівач слід встановити
приєднувальний кабель H05VV-F 3G 1,5 мм
2
. Для цього необхідно зняти захисну
кришку. Підключення водонагрівача до електромережі має здійснюватися у
відповідності до чинних правил монтажу електроприладів. Між водонагрівачем
та мережею електроживлення слід передбачити пристрій, який, відповідаючи
національним стандартам монтажу електроприладів, дозволятиме повністю
відключити прилад від мережі.
УВАГА! Впевніться, що бойлер відключений від електромережі перед тим,
як його відкривати!
ВИКОРИСТАННЯ ТА ОБСЛУГОВУВАННЯ
Після підключення до водопровідної та електричної мереж водонагрівач готовий
до використання. Температуру нагріву води можна встановити в діапазоні між
10 °C та 65 °C за допомогою повороту ручки термостата, яка розташована на
передній частині захисної пластикової кришки. Ми рекомендуємо встановлювати
ручку термостата на позицію "eco". Така установка є найбільш економною;
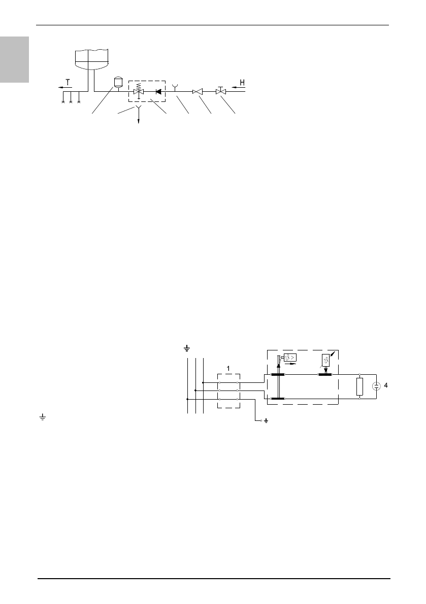
Опис:
1 - бак-розширювач
2 - лійка з підключенням до стоку
3 - запобіжний клапан
4 - тестова насадка
5 - редукційний клапан тиску
6 - запірний вентиль
H - холодна вода
T - гаряча вода
Опис:
1 - Приєднувальна клема
2 - Термостат i
тепловий запобіжник
3 - Нагрівач
4 - Контрольна лампочка
L - Провід фази
N - Нейтральний провід
- Провід заземлення
230 V~
L
N
3
2
Електросхема
6
5
4
1
2
3