Водонагреватели Gorenje TGR 50 - инструкция пользователя по применению, эксплуатации и установке на русском языке. Мы надеемся, она поможет вам решить возникшие у вас вопросы при эксплуатации техники.
Если остались вопросы, задайте их в комментариях после инструкции.
"Загружаем инструкцию", означает, что нужно подождать пока файл загрузится и можно будет его читать онлайн. Некоторые инструкции очень большие и время их появления зависит от вашей скорости интернета.

9
R
US
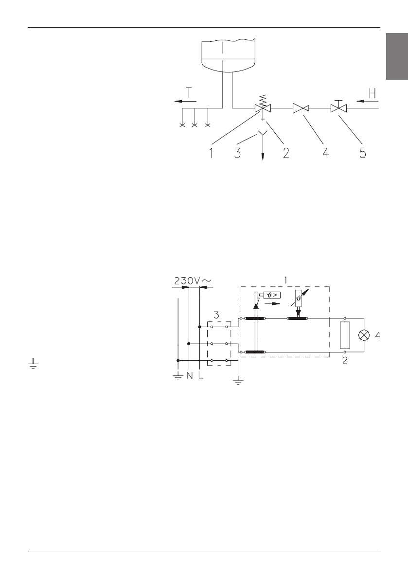
Описание:
1 – Oбратно-предохранительный клапан
2 – Тестовый патрубок
3 – Дренажная трубка
4 – Редукционный клапан
5 – Вентиль
H – Холодная вода
T – Горячая вода
Схема подключения водонагревателя к системе водоснабжения
ПОКЛЮЧЕНИЕ ВОДОНАГРЕВАТЕЛЯ К ЭЛЕКТРОСЕТИ
Перед подключением к электричеству необходимо подсоединить к водонагревателю электрический
кабель, для чего нужно снять защитную пластиковую крышку. Электропроводка, подключённая
к водонагревателю, должна быть оборудована двухполюсным переключателем с расстоянием
между контактами не меньше 3мм.
ПРЕДУПРЕЖДЕНИЕ:
Перед любым ремонтом или обслуживанием водонагревателя его
необходимо полностью отключить от энергоснабжения!
ИСПОЛЬЗОВАНИЕ И ОБСЛУЖИВАНИЕ
После подключения к водопроводной и электрической сети водонагреватель готов к
использованию. Температуру нагрева воды можно устанавливать в диапазоне между 25°C и
75°C при помощи поворота ручки термостата, которая расположена на передней части защитной
пластиковой крышки. Мы рекомендуем устанавливать ручку термостата на позицию “E”. Такая
установка является наиболее экономной; температура воды при такой позиции ручки будет
около 55°C, отложение накипи и тепловые потери будут значительно меньше, чем при установке
максимальной температуры.
Специальная конструкция водонагревателя позволяет использовать воду, которая находится
в баке, когда прерывается водоснабжение (нет давления в водопроводной сети). Просто
откройте кран горячей воды. После восстановления давления в водопроводе водонагреватель
автоматически наполнится водой.
Опис:
1 - Термостат i
біметалевий запобіжник
2 - Нагрівач
3 - 3’єднувальне скріплення
4 - Контрольна лампочка
L - Фазовий провідник
N - Нейтральний провідник
- Захисний провідник
Схема eлектричного підключення
Характеристики
Остались вопросы?Не нашли свой ответ в руководстве или возникли другие проблемы? Задайте свой вопрос в форме ниже с подробным описанием вашей ситуации, чтобы другие люди и специалисты смогли дать на него ответ. Если вы знаете как решить проблему другого человека, пожалуйста, подскажите ему :)












