Водонагреватели Gorenje TGR 30 V - инструкция пользователя по применению, эксплуатации и установке на русском языке. Мы надеемся, она поможет вам решить возникшие у вас вопросы при эксплуатации техники.
Если остались вопросы, задайте их в комментариях после инструкции.
"Загружаем инструкцию", означает, что нужно подождать пока файл загрузится и можно будет его читать онлайн. Некоторые инструкции очень большие и время их появления зависит от вашей скорости интернета.

5
ПІД’ЄДНАННЯ ВОДОНАГРІВАЧА ДО ЕЛЕКТРОМЕРЕЖІ
Перед підключенням до електромережі необхідно під`єднати до водонагрівача електричний
кабель, для чого слід зняти захисну пластикову кришку. Електропроводка, що під`єднуется до
водонагрівача повинна бути обладнана двополюсним перемикачем з відстанню між контактами
не менше ніж 3мм.
ПОПЕРЕДЖЕННЯ:
Перед будь-яким ремонтом або обслуговуванням приладу його необхідно
повністю відключити від енергопостачання!
U
A
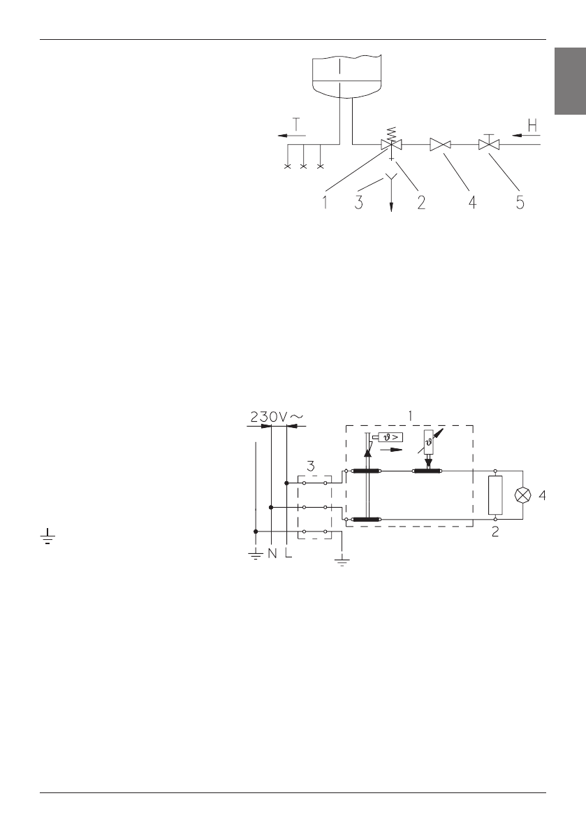
Опис:
1 - Термостат i
біметалевий запобіжник
2 - Нагрівач
3 - 3’єднувальне скріплення
4 - Контрольна лампочка
L - Фазовий провідник
N - Нейтральний провідник
- Захисний провідник
Схема eлектричного підключення
Опис:
1 – Незворотний–запобіжний клапан
2 – Тестовий патрубок
3 – Дренажна трубка
4 – Редукційний клапан
5 – Вентиль
H – Холодна вода
T – Гаряча вода
Схема підключення водонагрівача до водопровідної системи