Водонагреватели Gorenje OGB80SMB6 - инструкция пользователя по применению, эксплуатации и установке на русском языке. Мы надеемся, она поможет вам решить возникшие у вас вопросы при эксплуатации техники.
Если остались вопросы, задайте их в комментариях после инструкции.
"Загружаем инструкцию", означает, что нужно подождать пока файл загрузится и можно будет его читать онлайн. Некоторые инструкции очень большие и время их появления зависит от вашей скорости интернета.

23
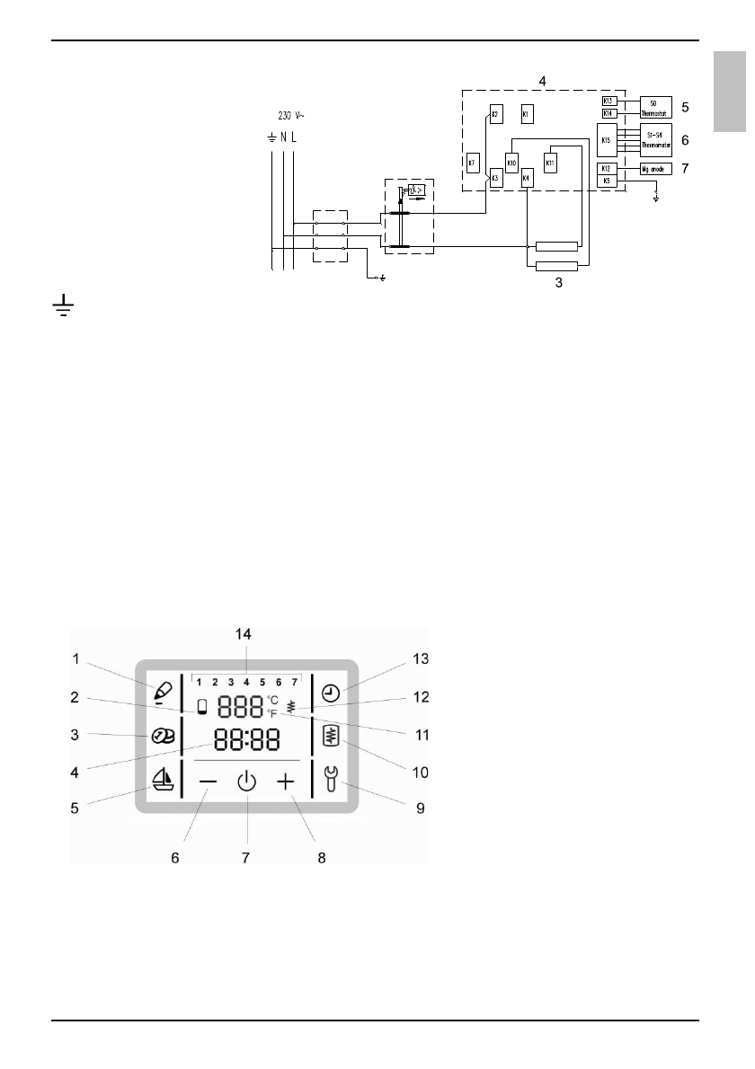
Legenda:
1 - Man
ş
on de racord
2 - Siguran
ţă
bimetalic
ă
3 - Element înc
ă
lzitor
(2 x 1000 W)
4 - Egalizator electronic
5 - Senzor termostat
6 - Senzori termometru
7 - Anod magneziu
L - Cablu de faz
ă
N - Cablu neutru
- Cablu de protec
ţ
ie
Schema leg
ă
turii electrice
ATEN
Ț
IE: Înainte de orice interven
ț
ie în interiorul boilerului, deconecta
ț
i aparatul de
la re
ț
eaua de alimentare!
UTILIZARE
Ş
l ÎNTRE
Ţ
INERE
Dup
ă
conectarea la ap
ă
ș
i la re
ț
eaua de alimentare, boilerul poate fi folosit.
Boiler-ul este echipat cu un egalizator electronic ce permite setarea
ş
i afi
ş
area temperaturii
apei, ajustarea modului de func
ţ
ionare a boilerului la obiceiurile dumneavoastr
ă
(programul
SMART), setarea temporizatorului, afi
ş
area cantit
ăţ
ii de ap
ă
cald
ă
din boiler, setarea
modului de func
ţ
ionare în cazul unei absen
ţ
e îndelungate (programul VACATION),
comutare manual
ă
ş
i aplica
ţ
ie pentru solu
ţ
ionarea problemelor.
FUNC
Ţ
IONARE
Boiler-ul poate fi operat prin folosirea unui ecran LCD tactil.
1 - Înregistrare program SMART
2 - Afi
ş
are cantitate ap
ă
cald
ă
3 - Activare/dezactivare program
SMART
4 - Setare
ş
i afi
ş
are timp
5 - Ini
ţ
iere
ş
i setare program
VACATION
6 - Reducerea valorii
7 - Pornirea/oprirea boilerului
8 - Cre
ş
terea valorii
9 - Indicarea
ş
i vizualizarea erorilor
10 - Comutare manual
ă
pentru
înc
ă
lzire
11 - Afi
ş
area
ş
i setarea temperaturii în
°C
12 - Indicator al func
ţ
ion
ă
rii
elementului de înc
ă
lzire
13 - Pornire
ş
i setare
TEMPORIZATOR
14 - Ziua din s
ă
pt
ă
mân
ă
(1 .. Luni, …, 7 .. Duminic
ă
)
R
O
2
1
Характеристики
Остались вопросы?Не нашли свой ответ в руководстве или возникли другие проблемы? Задайте свой вопрос в форме ниже с подробным описанием вашей ситуации, чтобы другие люди и специалисты смогли дать на него ответ. Если вы знаете как решить проблему другого человека, пожалуйста, подскажите ему :)