Водонагреватели Gorenje OGB80SEDDB6 - инструкция пользователя по применению, эксплуатации и установке на русском языке. Мы надеемся, она поможет вам решить возникшие у вас вопросы при эксплуатации техники.
Если остались вопросы, задайте их в комментариях после инструкции.
"Загружаем инструкцию", означает, что нужно подождать пока файл загрузится и можно будет его читать онлайн. Некоторые инструкции очень большие и время их появления зависит от вашей скорости интернета.

92
En el control debe con el movimiento del mango o desentornillando la tuerca de la válvula
(dependiendo del tipo de válvula) abrir el desagüe de la válvula de seguridad relexiva,
después de esto debe correr agua a través de la válvula guía de labio grueso, ya que este
muestra el signo que la válvula está impecable.
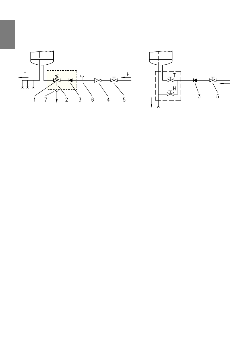
Sistema cerrado (de presión)
Sistema abierto (sin presión)
Leyenda:
1 - Válvula de Seguridad
6 - Pieza adicional de prueba
2 - Válvula de prueba
7 - Embudo con juntura hacia el
3 - Válvula relexiva desagüe
4 - Válvula de presión reductiva
H - agua fría
5 - Válvula bloqueadora
T - agua caliente
Entre el calentador y la válvula de seguridad no se debe montar válvula bloqueadora,
ya que si lo hace el funcionamiento de la válvula de seguridad será imposible.
El calentador lo puede conectar en una caja de sistema de tuberías sin válvula de reducción,
si la presión dentro el sistema es más bajo de 0,5 Mpa (5 bar). Si la presión dentro del
sistema sobrepasa 0,5 Mpa (5 bar), debe que obligatoriamente construir una válvula de
reducción.
Antes de conectarlo con la electricidad debe absolutamente primero llenarlo de agua. Para el
primer llenado abra el mango de agua caliente con la batería mezcladora. El calentador está
lleno cuando el agua sobrepasa por encima del tubo del desagüe de la batería mezcladora.
CONEXIÓN AL SISTEMA ELECTRICO
Antes de conectar a la red eléctrica se debe incorporar al calentador un cable de conexión
de un diámetro mínimo de a lo menos 1,5 mm
2
(H05VV-F 3G 1,5 mm
2
). La conexión del
calentador a la red eléctrica debe llevarse a cabo conforme a las normas establecidas
para las instalaciones eléctricas. Entre el calentdor de agua y la instalación permanente
debe incorporarse un elemento aislante de polos de la red de alimentación, conforme a las
normas nacionales de instalación.
SL
ES