Водонагреватели Gorenje OGB100SMB6 - инструкция пользователя по применению, эксплуатации и установке на русском языке. Мы надеемся, она поможет вам решить возникшие у вас вопросы при эксплуатации техники.
Если остались вопросы, задайте их в комментариях после инструкции.
"Загружаем инструкцию", означает, что нужно подождать пока файл загрузится и можно будет его читать онлайн. Некоторые инструкции очень большие и время их появления зависит от вашей скорости интернета.

6
национальными
стандартами
монтажа
электроустановок
устройство
,
позволяющее
полностью
отключить
прибор
от
сети
.
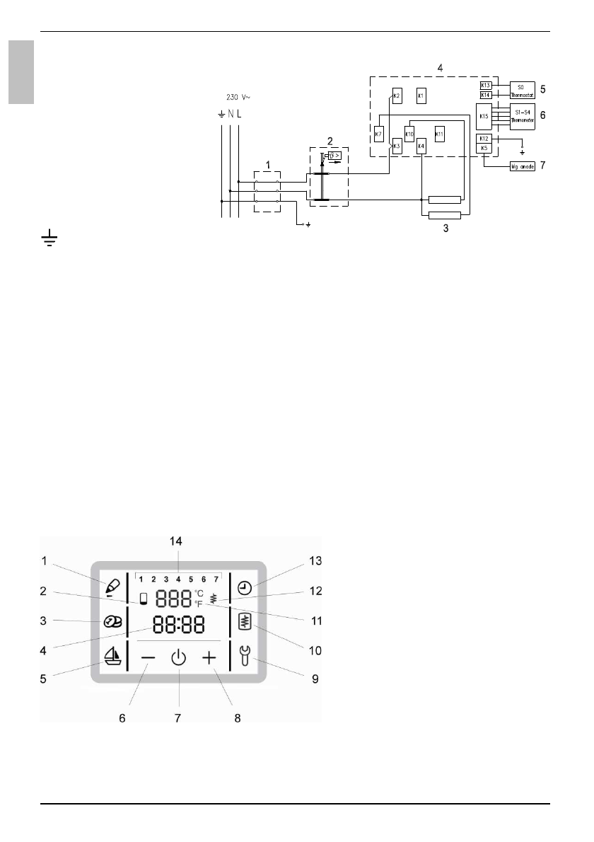
Легенда
:
1 -
Рисоединительная
скоба
2 -
Двухполюсной
тепловой
предохранитель
3 -
Нагреватель
(2 x 1000 W)
4 -
Электронный
регулятор
5 -
Датчик
термостата
6 -
Датчики
термостата
7 -
Магниевый
анод
L -
Фазовый
проводник
N -
Нейтральный
проводник
-
Защитный
проводник
Электросхема
ВНИМАНИЕ
:
Перед
тем
как
разобрать
нагреватель
,
убедитесь
,
что
он
отключен
от
электросети
!
ЭКСПЛУАТАЦИЯ
И
ОБСЛУЖИВАНИЕ
После
подключения
к
водопроводной
и
электрической
сети
,
водонагреватель
готов
к
использованию
.
Водонагреватель
оборудован
электронным
регулятором
,
предусматривающим
установку
и
отображение
температуры
воды
в
водонагревателе
,
автоматическую
установку
оптимального
режима
работы
на
основе
данных
использования
прибора
(
программа
"SMART"),
программирование
времени
работы
,
индикацию
количества
воды
в
баке
,
специальный
режим
работы
в
случае
длительного
отсутствия
(
программа
"
Отпуск
"),
включение
нагрева
вручную
и
диагностику
неисправностей
.
УПРАВЛЕНИЕ
Управление
водонагревателем
осуществляется
посредством
сенсорного
жидкокристаллического
дисплея
.
1 -
Запись
пользовательских
настроек
-
программа
"SMART"
2 -
Индикация
количества
горячей
воды
3 -
Включение
/
выключение
программы
"SMART"
4 -
Индикация
и
установка
времени
5 -
Включение
и
настройка
программы
"
ОТПУСК
"
6 -
Уменьшение
значения
параметра
7 -
Включение
/
отключение
водонагревателя
8 -
Увеличение
значения
параметра
9 -
Индикация
данных
о
неисправностях
10 -
Включение
нагрева
вручную
11 -
Индикация
и
настройка
температуры
в
°
С
12 -
Индикация
работы
ТЭНа
13 -
Включение
и
настройка
временных
режимов
работы
14 -
Индикация
дня
недели
(1 ..
понедельник
, …, 7 ..
воскресенье
)
R
U
Характеристики
Остались вопросы?Не нашли свой ответ в руководстве или возникли другие проблемы? Задайте свой вопрос в форме ниже с подробным описанием вашей ситуации, чтобы другие люди и специалисты смогли дать на него ответ. Если вы знаете как решить проблему другого человека, пожалуйста, подскажите ему :)