Водонагреватели Gorenje OGB100SEDDSB6 - инструкция пользователя по применению, эксплуатации и установке на русском языке. Мы надеемся, она поможет вам решить возникшие у вас вопросы при эксплуатации техники.
Если остались вопросы, задайте их в комментариях после инструкции.
"Загружаем инструкцию", означает, что нужно подождать пока файл загрузится и можно будет его читать онлайн. Некоторые инструкции очень большие и время их появления зависит от вашей скорости интернета.

31
Нагрівач можна підключати до водопровідної мережі в будинку без редукційного
клапану, якщо тиск в ній нижчий за 0,5 МПа. Якщо тиск в мережі перевищує 1,0
МПа, необхідно послідовно вбудувати два редукційні клапана. Перед підключенням
до електромережі нагрівач необхідно наповнити водою. При першому наповненні
відкрийте кран гарячої води на змішувачі. Нагрівач наповнений, коли вода починає
витікати через стік змішувача.
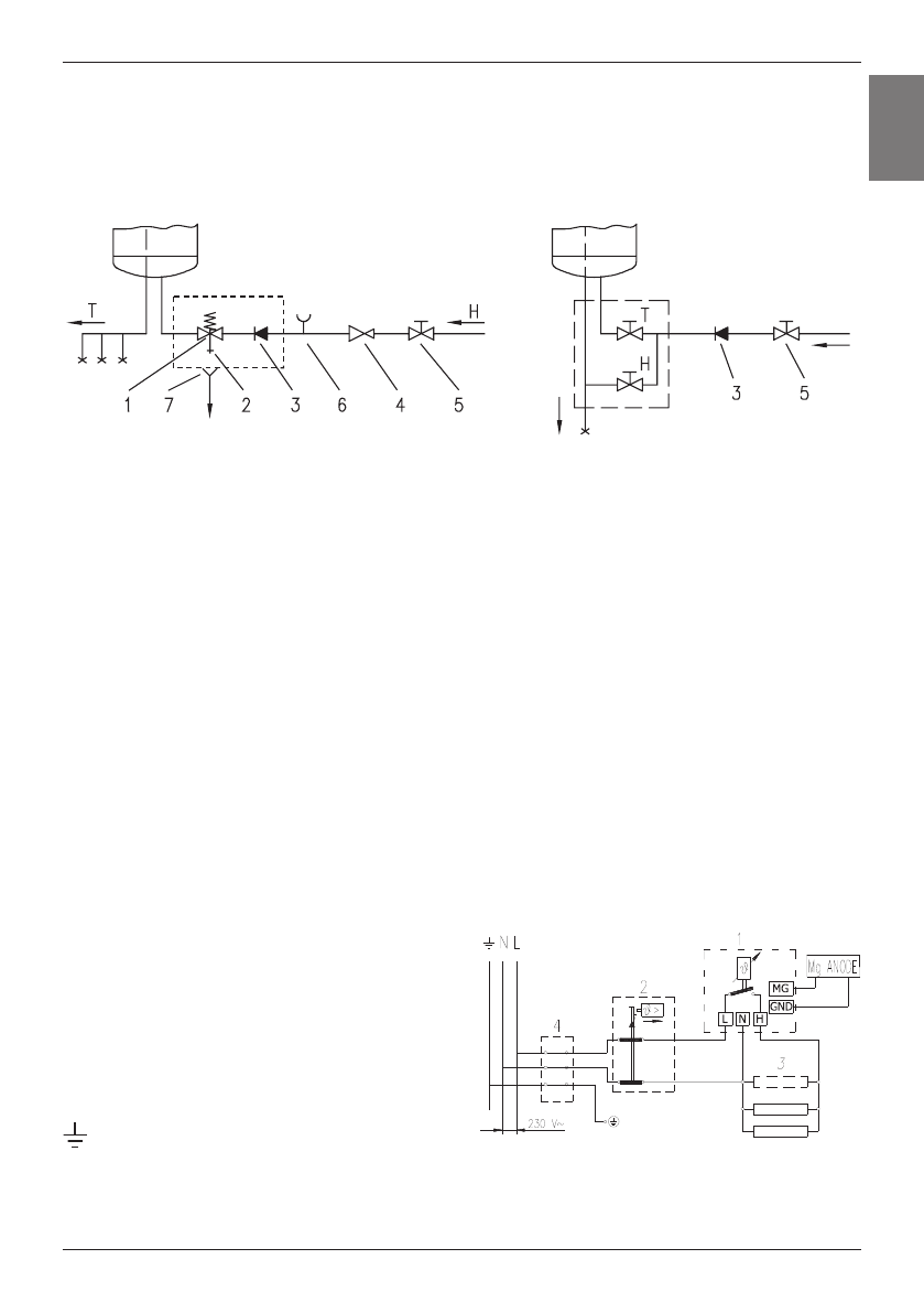
Закрита (накопичувальна) система
Відкрита (проточна) система
Опис:
1-запобіжний клапан
6- тестова насадка
2-випробувальний клапан
7- лійка з підключенням до стоку
3-незворотній клапан
4-редукційний клапан тиску
Н- холодна вода
5-запірний вентиль
Т- гаряча вода
ПІДКЛЮЧЕННЯ ДО ЕЛЕКТРОМЕРЕЖІ
Перед підключенням до електромережі в нагрівач слід встановити приєднувальний
кабель HO5W3x1,5 мм
2
. Для цього необхідно зняти захисну кришку. Підключення
нагрівача до електромережі має проводитись у відповідності до діючих стандартів
для електромережі. Через те, що у нагрівача немає елемента, який постійно його
відокремлює від електромережі, між нагрівачем та мережею слід встановити перемикач,
який припиняє подачу живлення на обох полюсах і між відкритими контактами якого
мінімальна відстань 3 мм.
Опис:
1- електронний терморегулятор
2- біметалевий запобіжник
3- нагрівач (2 х 1000 Вт або 3 х 700 Вт)
4- клема
L- провід фази
N- нейтральний провід
- провід заземлення
Електросхема
УВАГА! Впевніться, що бойлер відключений від електромережі перед тим, як
його відкривати!
SL
U
A