Водонагреватели Gorenje GT5OV6 - инструкция пользователя по применению, эксплуатации и установке на русском языке. Мы надеемся, она поможет вам решить возникшие у вас вопросы при эксплуатации техники.
Если остались вопросы, задайте их в комментариях после инструкции.
"Загружаем инструкцию", означает, что нужно подождать пока файл загрузится и можно будет его читать онлайн. Некоторые инструкции очень большие и время их появления зависит от вашей скорости интернета.

18
GB
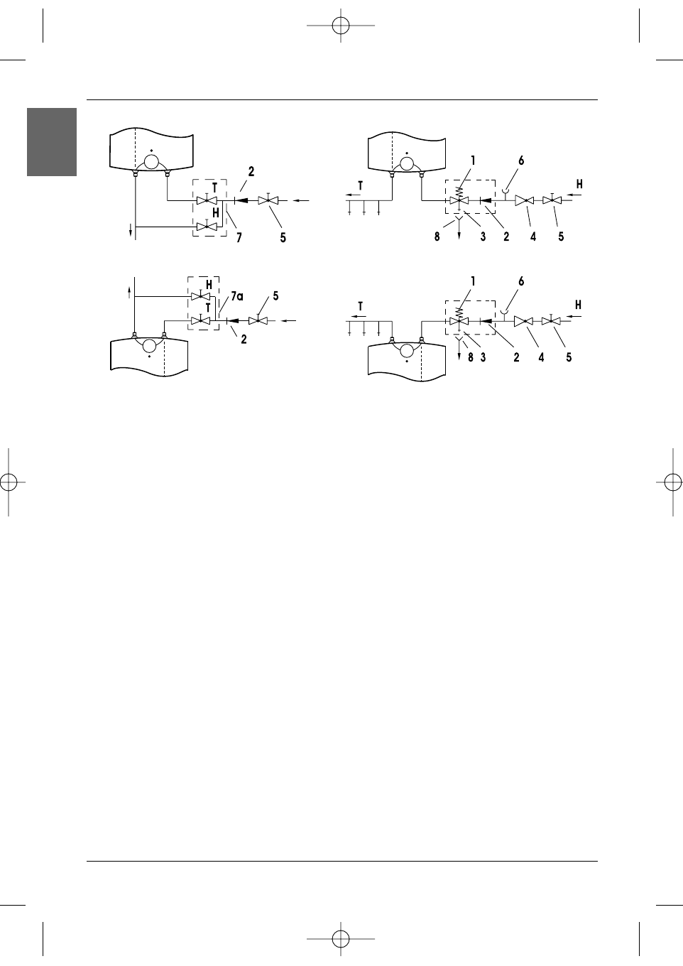
Open-circuit (gravity) system
Closed-circuit (pressure) system
Installation below the basin/sink
Installation below the basin/sink
Legend:
1 - Safety valve
7 - Mixer tap - installation above the basin/sink
2 - Non-return valve
7a - Mixer tap - installation below the basin/sink
3 - Test valve
8 - Funnel outlet to the drain
4 - Pressure-reducing valve
5 - Stop valve
H - Cold water
6 - Testing piece
T - Hot water
The stop valve must not be installed between the water heater and safety
valve, as this would disable the safety valve.
The water heater may be connected to the water supply system without the pressure-
reducing valve, provided the supply mains pressure is less than 0,5 MPa. The water
heater must be filled with water prior to being connected to the power supply. The hot
water tap must be open during the initial filling of the tank. The tank is full when the water
star ts flowing through the tap and into the sink.
POWER CONNECTION
The water heater shall be connected to the power supply by an electrical cable fitted with
a plug. Should the existing cable replaced by a new, longer cable, the new cable should
be connected to the lead and the wires screwed to the connectors. In this case the
water heater should first be disconnected from the power supply. For safety reasons a
switch should be installed on the lead connecting the heater to the power grid, i.e. a
switch disconnecting both power supply poles with the minimum of 3 mm distance
between the open contacts.
The water heater must be connected to the power supply in accordance with the
requirements set out in the relevant standards applying to the electrical installations.
WARNING: The appliance must be disconnected from the power supply prior
to doing anything that requires you to open the body of the water heater!
Installation above the basin/sink
Installation above the basin/sink
TIKI Navodila_ GT KODA 627 JUL04 copy.qxd 25.8.2004 9:09 Page 18












