Водонагреватели Gorenje GBU200EDDB6 - инструкция пользователя по применению, эксплуатации и установке на русском языке. Мы надеемся, она поможет вам решить возникшие у вас вопросы при эксплуатации техники.
Если остались вопросы, задайте их в комментариях после инструкции.
"Загружаем инструкцию", означает, что нужно подождать пока файл загрузится и можно будет его читать онлайн. Некоторые инструкции очень большие и время их появления зависит от вашей скорости интернета.

6
водонагрівач необхідно наповнити водою. При першому наповненні відкрийте кран
гарячої води на змішувачі. Коли прилад наповнений, зі змішувача починає литися вода.
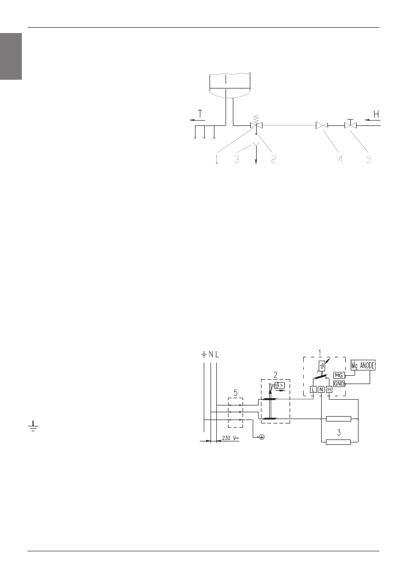
Опис:
1 – Незворотний–запобіжний клапан
2 – Тестовий патрубок
3 – Дренажна трубка
4 – Редукційний клапан
5 – Вентиль
H – Холодна вода
T – Гаряча вода
Схема підключення водонагрівача до водопровідної системи
ПІД’ЄДНАННЯ ВОДОНАГРІВАЧА ДО ЕЛЕКТРОМЕРЕЖІ
Перед підключенням до електромережі необхідно під`єднати до водонагрівача
електричний кабель діаметром не меньше ніж 1,5мм
2
, для чого слід зняти захисну
кришку. Електропроводка, що під`єднуется до водонагрівача повинна бути обладнана
двополюсним перемикачем.
ПОПЕРЕДЖЕННЯ: Перед будь-яким ремонтом або обслуговуванням приладу
його необхідно повністю відключити від енергопостачання!
Опис:
1 – Електронний термостат
2 – Біполярний термальний запобіжник
3 – Нагрівальний елемент 1000Вт
5 – З’єднувальний зажим
L - Фазовий провідник
N – Нейтральний провідник
- Захисний провідник (заземлення)
КОРИСТУВАННЯ ТА ОБСЛУГОВУВАННЯ
Водонагрівач обладнаний електронним регулятором, що дозволяє вручну регулювати
температуру від 35ºC до 75ºC з точністю до 1°C, обирати економічний режим роботи та
встановлювати температуру для уникнення перемерзання.
Підтримувати температуру води в баці з точністю до 1°C.
U
A
Содержание
- 11 ТЕХНИЧЕСКИЕ ХАРАКТЕРИСТИКИ АППАРАТА; ПОДКЛЮЧЕНИЕ K ВОДОПРОВОДУ; смеситель в зависимости от выбранной системы подключения.
- 12 ПОДКЛЮЧЕНИЕ K ЭЛЕКТРОСЕТИ; Электросхема
- 13 Использование и техническое обслуживание; При нажатии кнопки программного обеспечения; Установка защиты от замерзания:; - при помощи кнопки
- 15 обращаться в сервисную службу.












