Водонагреватели Gorenje GBK100LNB6 - инструкция пользователя по применению, эксплуатации и установке на русском языке. Мы надеемся, она поможет вам решить возникшие у вас вопросы при эксплуатации техники.
Если остались вопросы, задайте их в комментариях после инструкции.
"Загружаем инструкцию", означает, что нужно подождать пока файл загрузится и можно будет его читать онлайн. Некоторые инструкции очень большие и время их появления зависит от вашей скорости интернета.

48
ALB
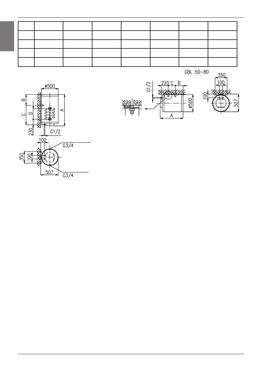
GBL 50
GBL 80
GBK 80
GBK 100
GBK 120
GBK 150
GBK 200
A
583
803
803
948
1103
1318
1510
B
187
207
207
202
207
222
430
C
145
345
565
715
865
1065
1050
D
340
416
416
416
416
Masat aderuese dhe ata montuese të bojlerit [mm]
GBK 80 - 200
KYÇJA NË RRJETËN E UJËSJELLËSIT
Furnizimi dhe shkarkimi i ujit te ujëngrohësi është i shenjuar në gypa me
njyra. Furnizimi me ujë të ftohtë është i shenjuar me ngjyrë të kaltërt, kurse
ai shkarkues i ujit të ngrohtë me ngjyrë të kuqe. Ujëngrohësin mund të kyçni
në rrjetën e ujësjellësit në dy mënyra. Sistemi i mbyllur, me shtypje mundëson
furnizim me ujë në më shumë vende furnizuese. Sistemi i çelë, pa shtypje
mundëson furnizim vetëm në një vend furnizues. Në bazë të sistemit të zgjedhur
të kyçjes, duhet të përdorni edhe bateri përzierëse gjëgjëse. Te sistemi i çelë, pa
shtypje, para ngrohësit duhet të instaloni ventil sigurues, i cili pengon daljen e
ujit nga kazani, nëqoftëse në rrjetë mungon uji. Te sistemi përkatës i kyçjes, nevojitet përdorimi i baterisë përzierëse. Për
shkak të ngrohjes së ujit, në ujëngrohës rritet vëllimi i ujit, e kjo shkakton pikëjen e ujit nga gypi i baterisë përzierëse. Me
shtërngimin e dorëzës në bateri, pikëjen e ujit nuk mund të ndaloni, por mund vetëm të prishni baterinë.
Te sistemi i mbyllur i kyçjes me shtypje, në vendet furnizuese duhet të përdorni bateri përzierëse.
Në gypin furnizues, për shkak të sigurisë së funksionimit, patjetër është i nevojshëm instalimi i ventilit kthyes sigurues
ose grupin sigurues, i cili ndërpren lartësimin e shtypjes në kazan për më tepër se 0,1 MPa mbi ate nominale. Te ngrohja
e ujit në ujëngrohës, shtypja e ujit në kazan lartësohet deri te kufiri, i cili është i rregulluar në ventilin kthyes sigurues.
Për shkak se kthimi i ujit në rrjetën e ujësjellësit është i ndërprerë, mund të vijë deri te pikëja e ujit prej hapësirës për
daljen e ujit nga ventili sigurues. Ujin që pikon, mund të drejtoni në tubacion nëpërmjet të mbaresës, të cilën e vendoni
nën ventilin sigurues.
Gypi shkarkues i instaluar nën daljen e ventilit sigurues, duhet të jetë i vënduar në drejtim poshtas dhe në rrethin ku nuk
ngrin. Në rast se për shkak të instalacionit të instaluar pa rregullsi, ujin që pikon nga ventili sigurues, nuk keni mundësi
të drejtoni në tubacion, pikjes së ujit mund t’i largoheni me instalimin e enës ekspanzike me vëllim prej 3 l në gypin
furnizues të ujëngrohësit. Për funksionimin e ventilit kthyes sigurues me rregullsi është e nevojshme, që çdo 14 ditë të
bëni vetë kontrolet e rregullta. Në rast të kontrolit, nevojitet, që me lëvizjen e dorëzës ose me zhvidhimin e dadosë së
ventilit (varësisht nga tipi i ventilit) të hapni daljen nga ventili kthyes sigurues. Në këte rast nevojitet, që të rrjedh uji nga
dalja e shobës së ventilit, kjo është shenjë që ventili funksionon pa pengesë.
Ndërmjet të ujëngrohësit dhe ventilit sigurues nuk lejohet të instaloni ventilin mbyllës,
sepse, me këte do të çmundësoni funksionimin e ventilit kthyes sigurues.
Ujëngrohësin mund të kyçni në rrjetën e ujësjellësit të shtëpisë pa ventil redukues, nëqoftëse shtypja në rrjetë është më
e ulët se 0,5 Mpa (5 bar). Nëqoftëse shtypja në rrjetë tejkalon 1,0 Mpa (10 bar), nevojitet instalimi i ventilit reduktues.
Para kyçjes elektrike, ujëngrohësin patjetër duhet të mbushni me ujë. Te mbushja e parë, hapni dorëzën e ujit të ngrohtë
në baterinë për përzierjen e ujit. Ujëngrohësi është i mbushur kur fillon të dalë uji nga gypi daljes së ujit nga bateria.
Kyçësi i djathtë
Kyçësi i majtë
Содержание
- 11 Уважаемый покупатель, благодарим Вас за покупку нашего изделия.; монтдж; ТЕХНИЧЕСКИЕ ХАРАКТЕРИСТИКИ АППАРАТА; входящей температуре холодной воды из водопровода 15°C.; ТЕХНИЧЕСКИЕ ХАРАКТЕРИСТИКИ ТЕПЛООБМЕННИКА; US
- 12 Соединительные и монтажные размеры водонагревателя [мм]; ПОДКЛЮЧЕНИЕ K ВОДОПРОВОДУ; от выбранной системы подключения. B открытой проточной системе
- 13 ПОДKЛЮЧЕНИЕ K ЭЛЕКТРОСЕТИ
- 14 ИСПОЛЬЗОВАНИЕ И УХОД













