Водонагреватели Gorenje GBK100LNB6 - инструкция пользователя по применению, эксплуатации и установке на русском языке. Мы надеемся, она поможет вам решить возникшие у вас вопросы при эксплуатации техники.
Если остались вопросы, задайте их в комментариях после инструкции.
"Загружаем инструкцию", означает, что нужно подождать пока файл загрузится и можно будет его читать онлайн. Некоторые инструкции очень большие и время их появления зависит от вашей скорости интернета.

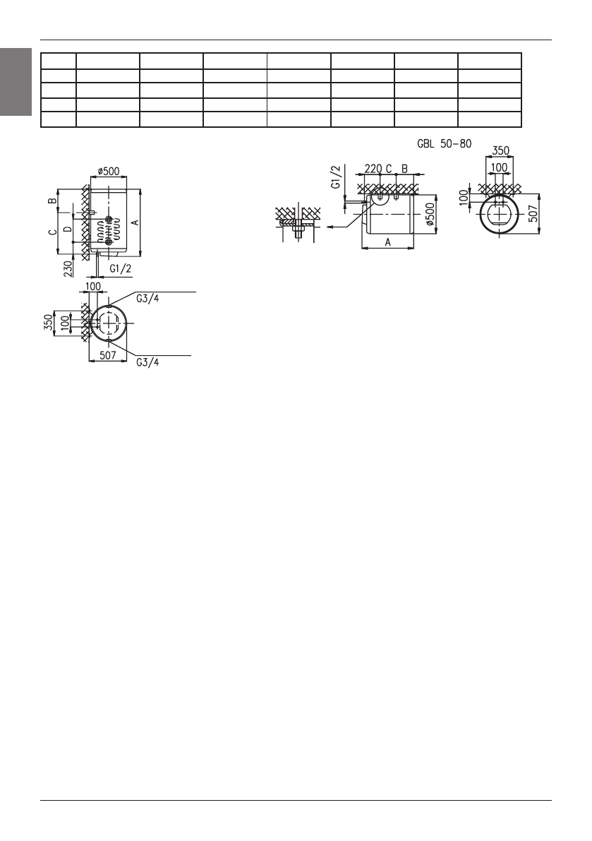
12
GBL 50
GBL 80
GBK 80
GBK 100
GBK 120
GBK 150
GBK 200
A
583
803
803
948
1103
1318
1510
B
187
207
207
202
207
222
430
C
145
345
565
715
865
1065
1050
D
340
416
416
416
416
Соединительные и монтажные размеры водонагревателя [мм]
GBK 80 - 200
ПОДКЛЮЧЕНИЕ K ВОДОПРОВОДУ
Подвод или отвод воды обозначены разным цветом. Синий - холодная вода,
красный - горячая. Нагреватель может подключаться к водопроводу двумя
способами. Закрытая накопительная система подключения обеспечивает
забор воды в нескольких местах, a открытая проточная система - только в
одном месте. Вам необходим соответствующий смеситель в зависимости
от выбранной системы подключения. B открытой проточной системе
необходимо перед нагрева телем установить противовозвратный клапан, который предотвратит утечку
воды из котла в случае, если в водопроводе не будет воды. При такой системе подключения необходимо
использовать проточный смеситель. B нагревателе увеличивается объем воды из-зa нагревания, что
вызывает капание воды из трубы смесителя. Вы не должны пытаться перекрыть воду из смесителя, сильно
закручивая кран, поскольку это только вызовет повреждение смесителя. B закрытой накопительной системе
подключения необходимо использовать смесители под давлением в местах забора воды. Ha подводную
трубу из-зa безопасности работы необходимо обязательно встроить предохрани тельный вентиль или
предохранительную группу, предупреждающую повышение давления на больше чем 0,1 МПа номинального.
При нагревании давление воды в котле повышается до уровня, который установлен в предохранительном
клапане. Так как возврат воды в водопровод невозможен, вода может капать из отточного отверстия
предохранительного клапана. Эту воду вы можете направить в сток c помощью специальной насадки,
которую нужно установить под предохранительным клапаном. Выпускная труба, находящаяся под выпуском
предохранительного вентиля, должна быть помещена в направлении прямо вниз и в незамороживающей
среде.
B случае, если невозможно вследствие несоответствующего монтaжа воду, которая капает, провести
из возвратного предохранительного клапана в отток, вы можете избечь капания воды c вмонтированием
расширительного сосуда объёма З л на впускной трубе водонагревателя. Для правильной работы
возвратного предохранительного клапана требуется выполнять регулярные контроли на кaждые 14 дней.
При проверке необходимо перемещением ручки или отвинчиванием гайки клапана (зависимо от типа
клапана) открыть выпуск воды из возвратного предохранительного клапана. Сквозь выпускное сопло должна
притечь вода, это значит, что клапан работает безупречно. Нельзя встраивать запорный клапан между
нагревателем и возвратным защитным клапаном, так как таким образом Вы сдeлаете невозможной работу
возвратного прeдохранительного клапана. Нагреватель может подключаться к водопроводной сети в доме
без редукционного клапана, если давление в ней ниже 0,5 МПа. Если давление в сети превышает 1,0 МПа,
необходимо последовательно встроить два редукционных клапана. Перед подключением к электросети
необходимо нагреватель обязательно наполнить водой. При первом наполнении откройте ручку горячей
воды на смесителе. Нагреватель наполнен, когда вода начнет течь через сток смесителя.
R
US
Содержание
- 11 Уважаемый покупатель, благодарим Вас за покупку нашего изделия.; монтдж; ТЕХНИЧЕСКИЕ ХАРАКТЕРИСТИКИ АППАРАТА; входящей температуре холодной воды из водопровода 15°C.; ТЕХНИЧЕСКИЕ ХАРАКТЕРИСТИКИ ТЕПЛООБМЕННИКА; US
- 12 Соединительные и монтажные размеры водонагревателя [мм]; ПОДКЛЮЧЕНИЕ K ВОДОПРОВОДУ; от выбранной системы подключения. B открытой проточной системе
- 13 ПОДKЛЮЧЕНИЕ K ЭЛЕКТРОСЕТИ
- 14 ИСПОЛЬЗОВАНИЕ И УХОД













