Водонагреватели Gorenje GBK 120 ORLNB6 - инструкция пользователя по применению, эксплуатации и установке на русском языке. Мы надеемся, она поможет вам решить возникшие у вас вопросы при эксплуатации техники.
Если остались вопросы, задайте их в комментариях после инструкции.
"Загружаем инструкцию", означает, что нужно подождать пока файл загрузится и можно будет его читать онлайн. Некоторые инструкции очень большие и время их появления зависит от вашей скорости интернета.

Нагрівач GBK також можете пов'язати з трубкою циркуляції гарячою води. Циркуляція водопроводу
гарячої води дозволяє у всіх точках споживання, завжди та відразу мати гарячу воду. Зворотний
трубопровід гарячої води встановіть в роз'єм у верхній частині нагрівача. Перед підключенням
необхідно зняти пластикову кришку і відкрутити ущільнюючий ковпачок на верхній частині нагрівача.
УВАГА: Зворотний трубопровід гарячої води встановіть перед заповненням нагрівача з
водою. Використання циркуляційного водопроводу призведе до додаткових втрат тепла в
водонагрівачі.
ПІДКЛЮЧЕННЯ ДО ЕЛЕКТРОМЕРЕЖІ
Перед підключенням до електромережі слід підключити до нагрівача
приєднувальний кабель H05VV-F 3G 1,5 мм
2
. Для цього необхідно зняти
захисну кришку.
Між водонагрівачем і мережею електроживлення має бути встановлено
передбачений відповідними національними стандартами монтажу
електроустановок пристрій, який би дозволяв повністю вимикати прилад
з мережі.
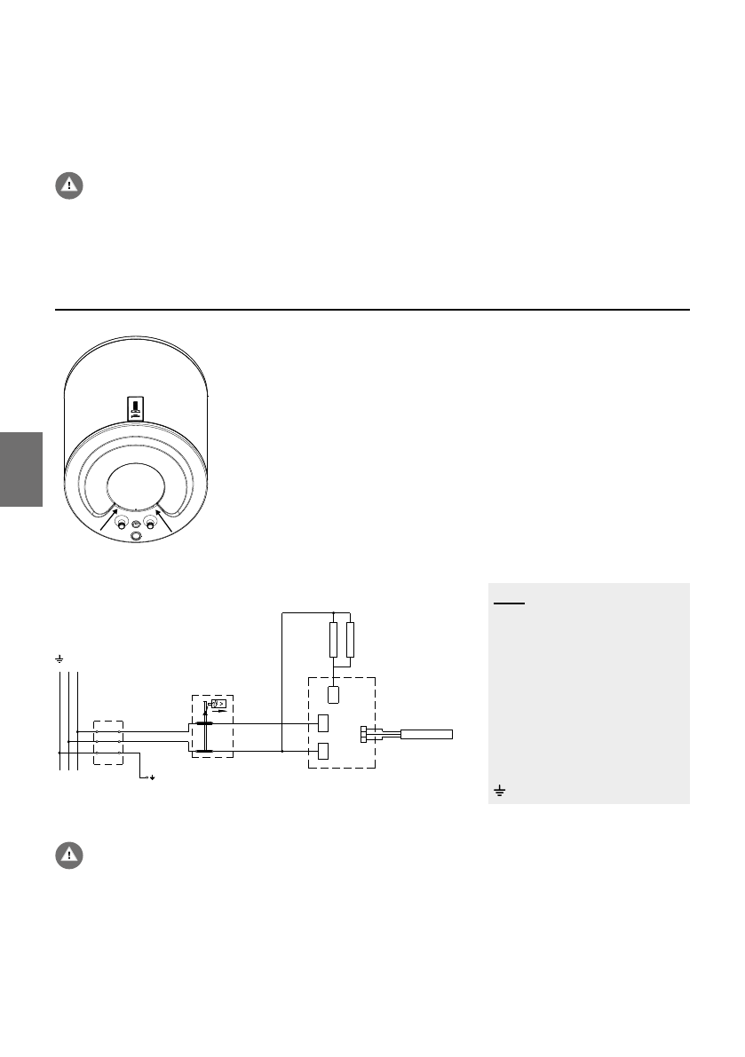
ОПИС
1
- Приєднувальна клема
2
- Біметалевий запобіжник
3
- Електронний регулятор
4
- Нагрівальний елемент
(2
x 1000 Вт)
5
- Температурний датчик
L
Фаза живлення
N
Нуль живлення
Заземлення
УВАГА! Перед початком ремонту або чищення обов'язково вимкніть водонагрівач з
електромережі! Усі дії повинні виконувати фахівці, які мають належну кваліфікацію!
Рис. 5:
Зняття захисної кришки
Мал. 6:
Електросхема
1
N
230 V~
H1
K1
1
2
3
T1
T2
L
N
L
5
3
2
4
46
UK
548806













