Водонагреватели Gorenje GBK 100 LN RN - инструкция пользователя по применению, эксплуатации и установке на русском языке. Мы надеемся, она поможет вам решить возникшие у вас вопросы при эксплуатации техники.
Если остались вопросы, задайте их в комментариях после инструкции.
"Загружаем инструкцию", означает, что нужно подождать пока файл загрузится и можно будет его читать онлайн. Некоторые инструкции очень большие и время их появления зависит от вашей скорости интернета.

Sl
ē
gt
ā
(uzkr
ā
šanas) sist
ē
ma Atkl
ā
t
ā
(caurteces sist
ē
ma)
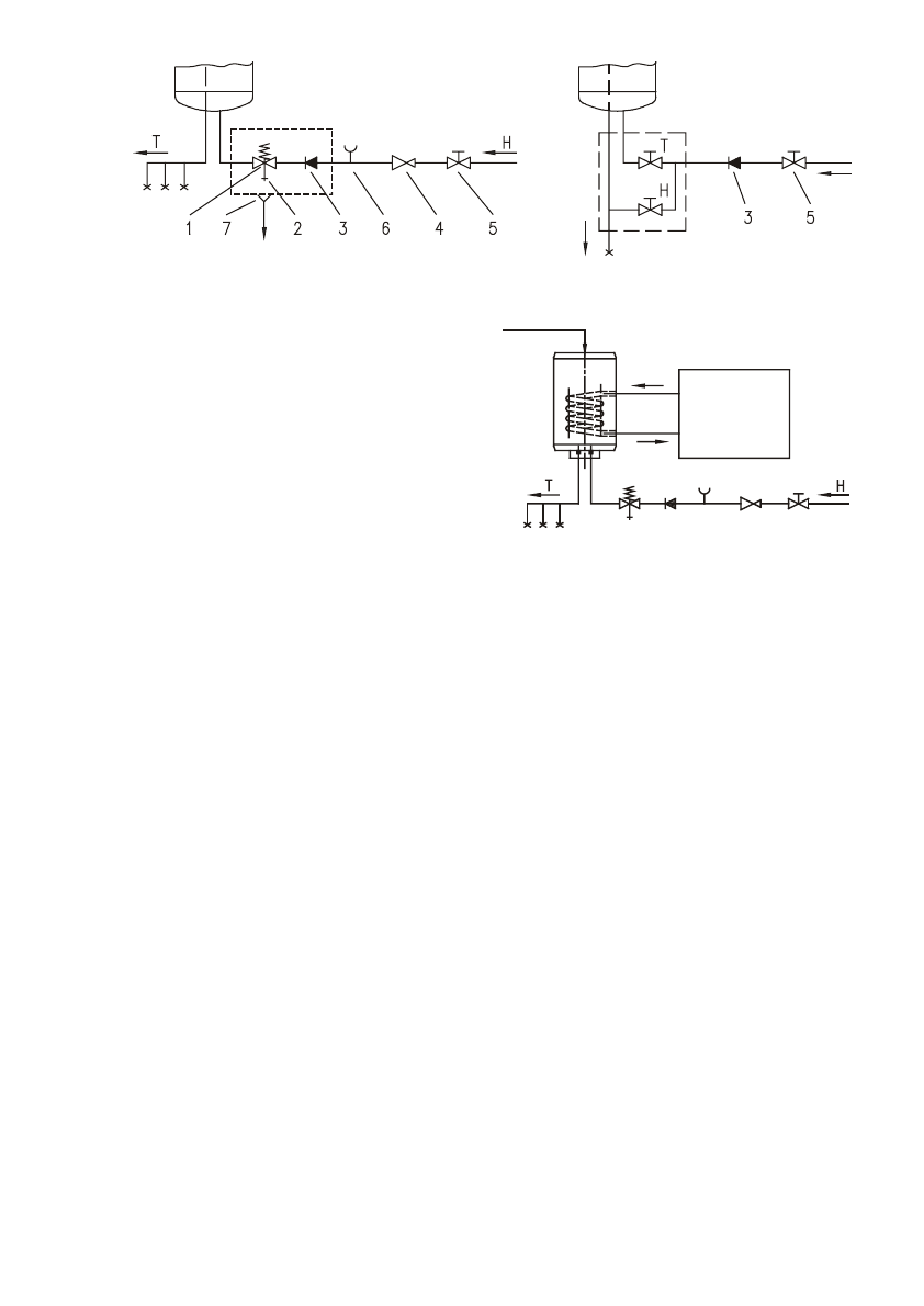
Elementi:
Atpakalgaita
1 – droš
ī
bas v
ā
rsts
2 – p
ā
rbaudes v
ā
rst
3 – pretv
ā
rsts
4 – spiediena reduc
ē
šanas v
ā
rsts
Siltuma nesejs
5 – sl
ē
gv
ā
rsts
6 – p
ā
rbaudes uzgalis
7 – piltuve ar piesl
ē
gumu notekcaurulei
H – auksts
ū
dens
T – karsts
ū
dens
Nedr
ī
kst iemont
ē
t sl
ē
gv
ā
rstu starp sild
ī
t
ā
ju un droš
ī
bas pretv
ā
rstu, jo t
ā
d
ā
veid
ā
J
ū
s
padar
ī
siet par neiesp
ē
jamu droš
ī
bas pretv
ā
rsta darb
ī
bu.
Sild
ī
t
ā
ju var piesl
ē
gt m
ā
jas
ū
densvada t
ī
klam ar
ī
bez spiediena reduc
ē
šanas v
ā
rsta, ja
spiediens šai t
ī
kl
ā
ir zem
ā
ks par 0,5 MPa. Ja spiediens
ū
densvada t
ī
kl
ā
p
ā
rsniedz 1,0 MPa, ir
nepieciešams sec
ī
gi iemont
ē
t divus spiediena reduc
ē
šanas v
ā
rstus. Pirms piesl
ē
gt sild
ī
t
ā
ju
elektrot
ī
klam, tas oblig
ā
ti j
ā
piepilda ar
ū
deni. Pie pirm
ā
s uzpild
ī
šanas pagrieziet karst
ā
ū
dens
rokturi uz mais
ī
t
ā
ja. Sild
ī
t
ā
js ir piepild
ī
ts, kad
ū
dens s
ā
k tec
ē
t no mais
ī
t
ā
ja izpl
ū
des caurules.
Kombin
ē
tais
ū
denssild
ī
t
ā
js GBK darbojas t
ā
pat k
ā
elektriskais
ū
denssild
ī
t
ā
js GB, bet vi
ņā
papildus ir iemont
ē
ts citu ener
ģ
ijas avotu(piem.centr
ā
l
ā
s apkures, saules bateriju vai siltuma
s
ū
knis)
ū
dens uzsildes, siltumapma
ņ
as elements. Š
ī
iepriekš piemin
ē
t
ā
elektrisk
ā
s un
siltumapmai
ņ
as elements var darbotie gan kop
ā
, gan atseviš
ķ
i. Kombin
ē
tais
ū
denssild
ī
t
ā
js GBK
peisl
ē
dzas pie elektr
ī
bas t
ā
pat k
ā
elekriskai
ū
denssild
ī
t
ā
js GB, k
ā
ar
ī
l
ī
dztekus vi
ņ
u vajag
pievienot papildus ener
ģ
ijas avotam.
Ū
dens pievada un izejas caurules ir apz
ī
m
ē
tas ar daž
ā
du
kr
ā
su. Zil
ā
– auksts
ū
dens, sarkan
ā
– karsts
ū
dens.
Ū
denssild
ī
t
ā
js GBK var tikt piesl
ē
gts pie
karst
ā
ū
dens atpak
ļ
ejoša atzara. Atpak
ā
lejošais atzars nodrošina karst
ā
ū
dens padevi vis
ā
s t
ā
izejas viet
ā
s. Vi
ņ
a piesl
ē
gums atrodas uz
ū
denssild
ī
t
ā
ja augš
ē
j
ā
v
ā
ci
ņ
a. Pirms piesl
ē
gšanas
nepieciešams no
ņ
emt plstik
ā
ta v
ā
ci
ņ
um un atskr
ū
v
ē
t iebl
ī
v
ē
jamo ielikni. Elementus karst
ā
ū
dens atpak
ļ
ejoš
ā
atzara pesl
ē
gšanai var ieg
ā
d
ā
ties pie musu izsrad
ā
juma p
ā
rdev
ē
jiem.
PIESL
Ē
GŠANA ELEKTROT
Ī
KLAM
Pirms piesl
ē
gt sild
ī
t
ā
ju elektrot
ī
klam, sild
ī
t
ā
jam j
ā
pievieno piesl
ē
gšanas kabelis. Lai to izdar
ī
tu,
j
ā
no
ņ
em plastika aizsargv
ā
ks. No
ņ
emiet pl
ā
ksn
ī
ti v
ā
ka priekš
ē
j
ā
pus
ē
, ieliekot skr
ū
vgriezi š
ķ
irb
ā
starp šo pl
ā
ksn
ī
ti un aizsargv
ā
ku termostata roktura priekš
ā
, bet p
ē
c tam ar
ī
pret
ē
j
ā
pus
ē
attiec
ī
b
ā
pret min
ē
to rokturi. P
ē
c tam, kad J
ū
s aiz
ķ
erat šo pl
ā
ksn
ī
ti no ab
ā
m pus
ē
m, to var viegli
no
ņ
emt ar roku. Lai no
ņ
emtu plastika aizsargv
ā
ku, Jums j
ā
no
ņ
em termostata rokturis un
j
ā
izskr
ū
v
ē
abas stiprin
ā
juma skr
ū
ves. Plastika aizsargv
ā
ka uzst
ā
d
ī
šana tiek veikta pret
ē
j
ā
sec
ī
b
ā
. Sild
ī
t
ā
ja piesl
ē
gšana elektrot
ī
klam j
ā
veic saska
ņā
ar elektrot
ī
klu noteiktajiem
standartiem. T
ā
k
ā
sild
ī
t
ā
jam nav elementa, kas to past
ā
v
ī
gi atsl
ē
gtu no elektrot
ī
kla, starp to un
elektrot
ī
kla rozeti j
ā
uzst
ā
da divpolu sl
ē
dzis ar atstatumu starp atv
ē
rtiem kontaktiem ne maz
ā
ku
par 3 mm.
UZMAN
Ī
BU: Pirms izjaukt sild
ī
t
ā
ju, p
ā
rliecinieties, kas tas ir atvienots no elektrot
ī
kla!
25












