Водонагреватели Gorenje GBFU80SMB6 539263 RG008Q2FE80K3F - инструкция пользователя по применению, эксплуатации и установке на русском языке. Мы надеемся, она поможет вам решить возникшие у вас вопросы при эксплуатации техники.
Если остались вопросы, задайте их в комментариях после инструкции.
"Загружаем инструкцию", означает, что нужно подождать пока файл загрузится и можно будет его читать онлайн. Некоторые инструкции очень большие и время их появления зависит от вашей скорости интернета.

1
N
230 V~
H1
K1
1
2
3
T1
T2
L
N
L
5
3
2
4
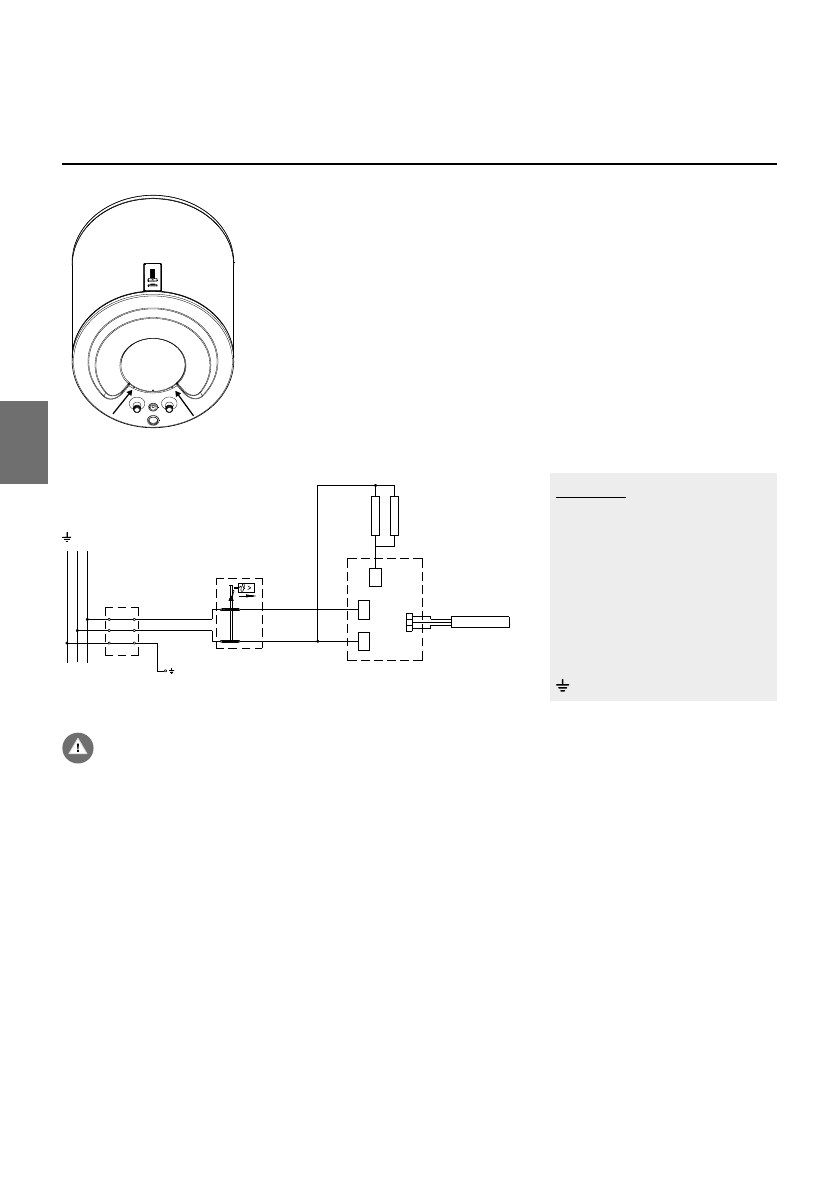
PRIKLJUČIVANJE NA
ELEKTRIČNU MREŽU
Pre priključenja u električnu mrežu, potrebno je u bojler ugraditi
priključno uže minimalnog preseka najmanje 1,5 mm
2
(H05VV-F
3G 1,5 mm
2
), zato morate odstraniti zaštitni poklopac.
U električnu instalaciju mora biti ugrađena priprema za
razdvajanje svih polova u skladu sa nacionalnim instalacionim
propisima.
LEGENDA
1
Priključne kleme
2
- Toplotni osigurač
3
- Elektronski regulator
4
- Grejač ( 2 x 1000 W)
5
- Temperaturni senzor
L
Faza
N
Nula
Uzemljenje
UPOZORENJE: Pre svake intervencije u unutrašnjosti bojlera, obavezno
isključite bojler iz električne mreže! Intervenciju može obaviti samo
osposobljeni stručnjak!
Sl. 5:
Odstranjivanje zaštitnog poklopca
Sl. 6:
Šema povezivanja električnih provodnika
539710
36
SR/MNE